EasyManua.ls Logo

Batca LINK LD-4 - Page 15

Batca LINK LD-4
23 pages
Print Icon
To Next Page IconTo Next Page
To Next Page IconTo Next Page
To Previous Page IconTo Previous Page
To Previous Page IconTo Previous Page
Loading...
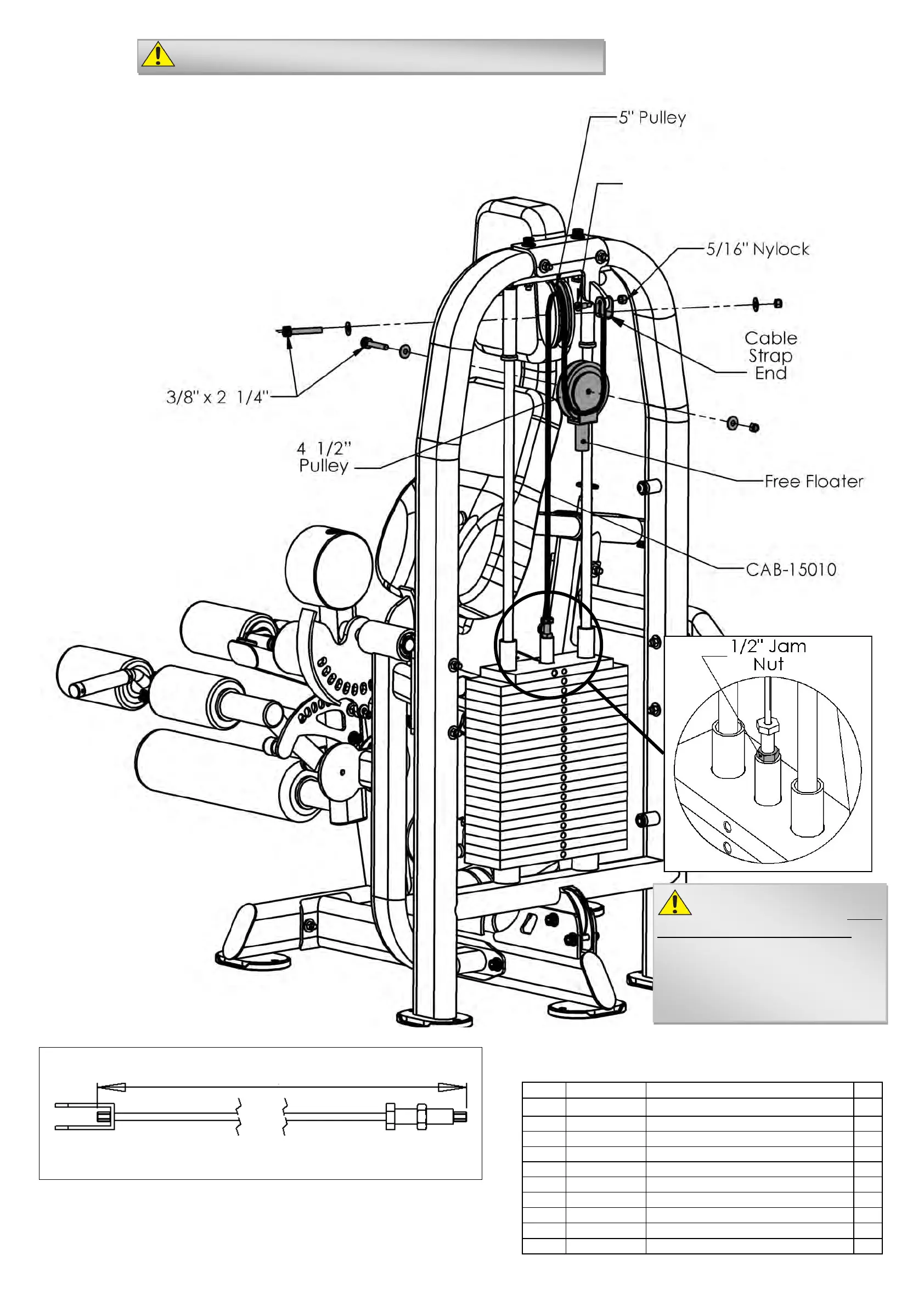
www.batcafitness.com 15 LD-4 Owners Manual
CAB-15010
50”
Note: The threaded bolt on
the end of the cable must
be threaded at least 1/2” the
Top Plate of the weight stack.
The bolt must also be secured
with a 1/2” Jam Nut to ensure a
safe and proper connection.
Item # Part # Description Qty
38 CAB-15010 Weight Stack to Lockout Cable 1
31 BFP-10838 Free Floater 1
46 BFH-50174 4 1/2” Pulley 1
47 BFH-50530 5” Pulley 1
56 BFP-51752 SHCS 3/8” x 2 1/4 2
53 BFH-50351 1 3/8” Shoulder Bolt 1
69 BFH-50267 5/16” Nylock 1
70 BFH-50146 3/8” Flat Washer 4
71 BFH-50157 3/8” Nylock 2
74 BFH-50227 Cable Strap End 1
1 3/8” Shoulder Bolt
Step 10:
Make sure all bolts are tightened before moving on
All Flat Washers and Nylocks are 3/8” unless otherwise noted.

Related product manuals