EasyManua.ls Logo

Batca LINK LD-4 - Page 18

Batca LINK LD-4
23 pages
Print Icon
To Next Page IconTo Next Page
To Next Page IconTo Next Page
To Previous Page IconTo Previous Page
To Previous Page IconTo Previous Page
Loading...
Batca Fitness Systems 18 LD-4 Owner's Manual
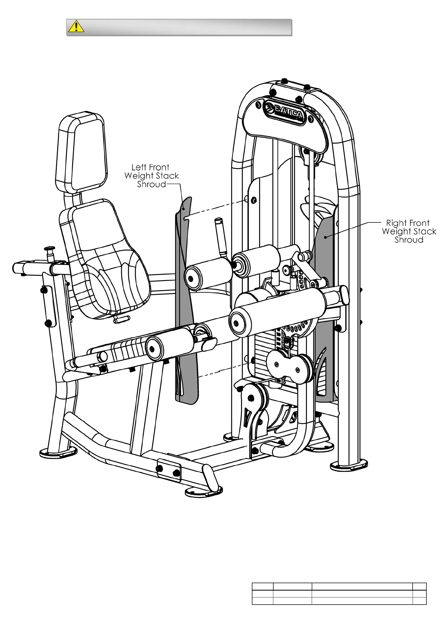
Item # Part # Description Qty
34 BFP-51741 (Left) Front Weight Stack Shroud 1
35 BFP-51742 (Right) Front Weight Stack Shroud 1
Step 13:
Make sure all bolts are tightened before moving on
All Flat Washers and Nylocks are 3/8” unless otherwise noted.

Related product manuals