EasyManua.ls Logo

Batca LINK LD-4 - Page 20

Batca LINK LD-4
23 pages
Print Icon
To Next Page IconTo Next Page
To Next Page IconTo Next Page
To Previous Page IconTo Previous Page
To Previous Page IconTo Previous Page
Loading...
Batca Fitness Systems 20 LD-4 Owner's Manual
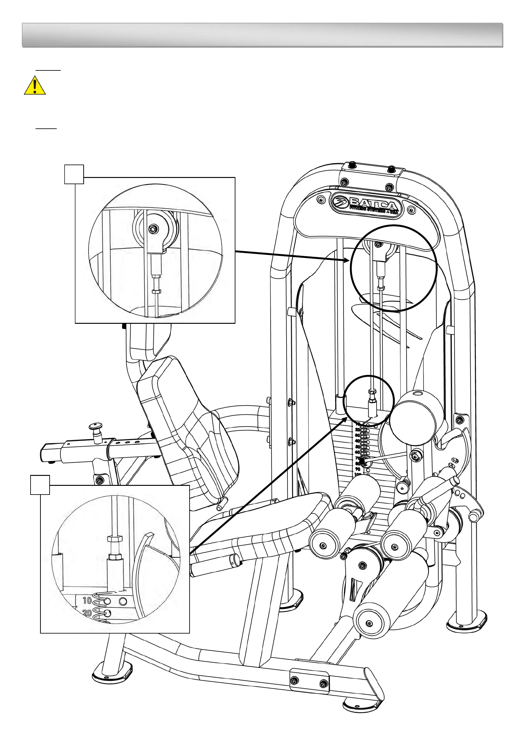
Adjust cables to proper tension from any of the locations shown below.
Note: All cables with threaded adjustable ends must have at least 1/2” of the threads threaded in to its counterpart.
It is very important that the 1/2” Jam Nut be wrench tightened to the counterpart to ensure that the threaded ad-
justable end of the cable does not back out of its counterpart.
Note: If the top plate raises off of the second plate in the weight stack, then the cable tension is too tight. You will need
to take some of the tension out to lower the Top plate ush with the second plate.
Cable Adjustments
1
2

Related product manuals