EasyManua.ls Logo

Battipav PRIME - Page 6

Battipav PRIME
Print Icon
To Next Page IconTo Next Page
To Next Page IconTo Next Page
To Previous Page IconTo Previous Page
To Previous Page IconTo Previous Page
Loading...
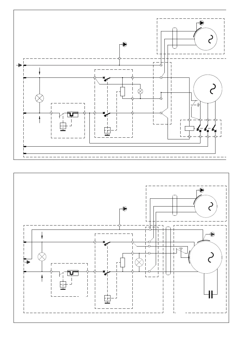
6
V ~
6 A
R/L1
XY
-1
60 W
2800 n
M2
-1
2200 W
2800 n
M 3
S/L2T/L3 N
/T380 V6
400V ~ 50Hz
V ~
2M
2800 n
60 W
-1
V ~
2800 n
2200 W
-1
230V ~ 50/60Hz
LN
idm5
°C
XY
M2
115V ~ 50/60Hz
13A (230V ~ 50/60Hz)
40 µF 400VL (230V ~ 50/60Hz)
25A (115V ~ 50/60Hz)
80 µF 400VL (115V ~ 50/60Hz)

Table of Contents

Related product manuals