EasyManua.ls Logo

Baxi LSGNW35 - TOUCH SCREEN WIRED CONTROL CONNECTION FOR CASSETTE

Baxi LSGNW35
38 pages
Print Icon
To Next Page IconTo Next Page
To Next Page IconTo Next Page
To Previous Page IconTo Previous Page
To Previous Page IconTo Previous Page
Loading...
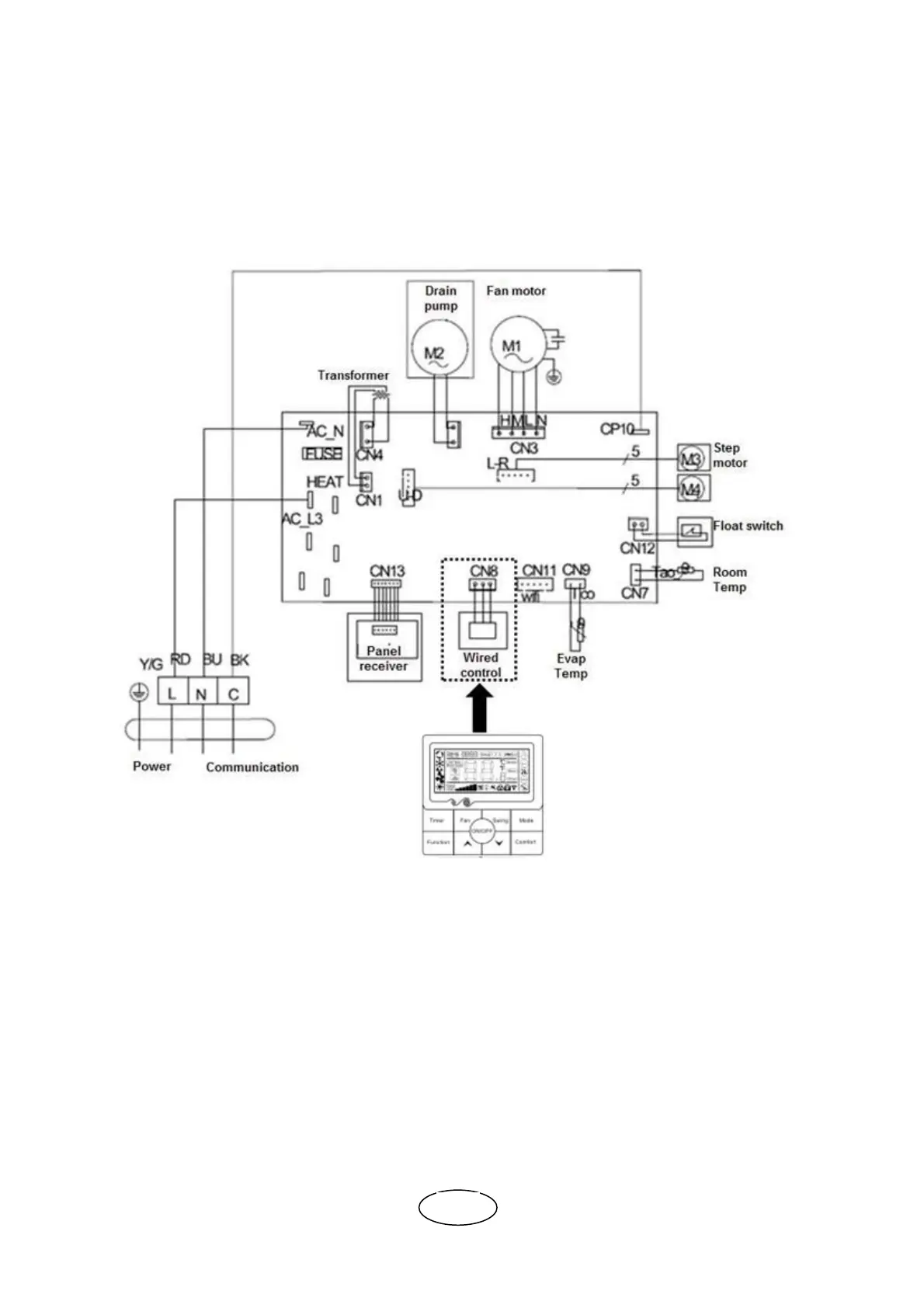
7.2. TOUCH SCREEN WIRED CONTROL CONNECTION FOR CASSETTE
-
Connect the white control connector to the “CN8” connector of the indoor unit PCB
as shown in the following schema:
31

Other manuals for Baxi LSGNW35

Related product manuals