EasyManua.ls Logo

Bayliner 16 Element - Page 44

Bayliner 16 Element
52 pages
Print Icon
To Next Page IconTo Next Page
To Next Page IconTo Next Page
To Previous Page IconTo Previous Page
To Previous Page IconTo Previous Page
Loading...
16 Element • Owner's Manual Supplement
38
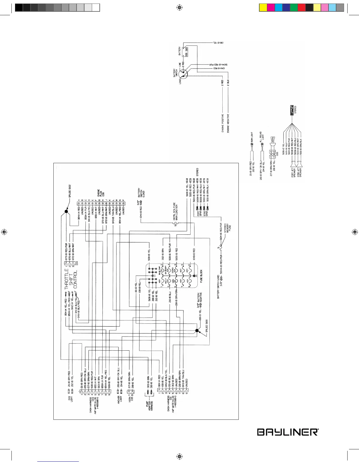
DC Wiring Schematics
(3 of 3)
Bayliner_16_Element_2013.indd 38 10/16/2013 4:38:09 PM

Table of Contents

Related product manuals