EasyManua.ls Logo

Bayliner Ciera 2858 Command Bridge - AC Electrical System Dual Dockside

Bayliner Ciera 2858 Command Bridge
44 pages
Print Icon
To Next Page IconTo Next Page
To Next Page IconTo Next Page
To Previous Page IconTo Previous Page
To Previous Page IconTo Previous Page
Loading...
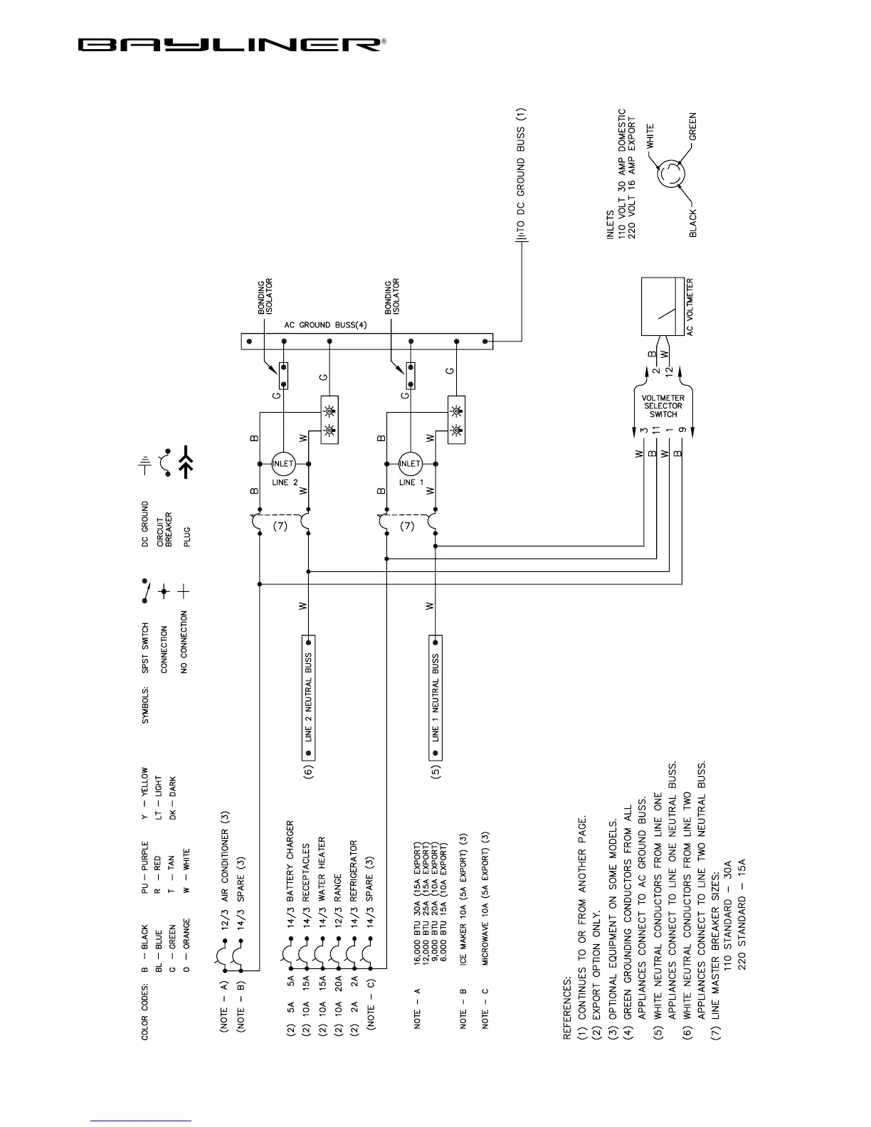
CHAPTER 4: WIRING SCHEMATICS 31
Ciera 2858 Command Bridge
Owner’s Manual
Supplement
AC Electrical System Dual Dockside

Table of Contents

Related product manuals