EasyManua.ls Logo

Bayliner Rendezvous - Limited Warranty Information; Warranty Coverage Exclusions; Warranty Limitations and Obligations

Bayliner Rendezvous
44 pages
Print Icon
To Next Page IconTo Next Page
To Next Page IconTo Next Page
To Previous Page IconTo Previous Page
To Previous Page IconTo Previous Page
Loading...
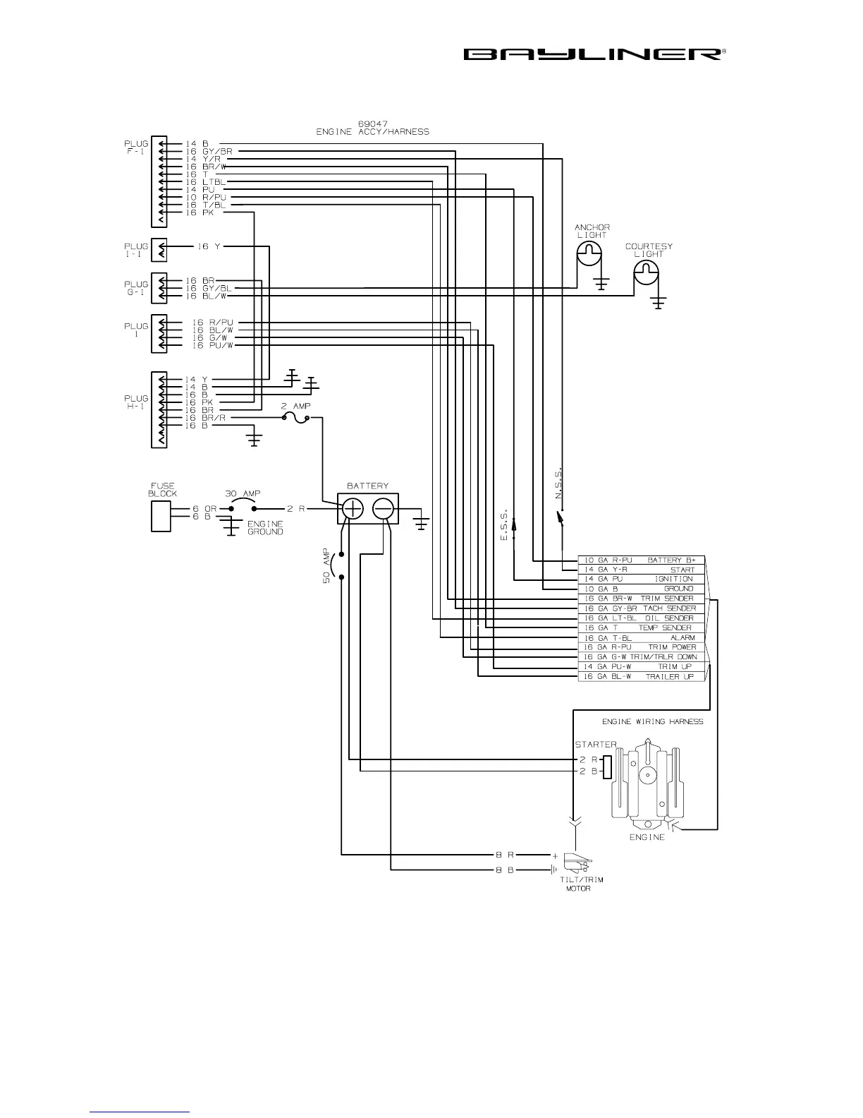
30 CHAPTER 5: WIRING SCHEMATICS
Rendezvous Owner’s Manual Supplement
2159 & 2459

Related product manuals