EasyManua.ls Logo

Bayliner Rendezvous - Deck Harnesses

Bayliner Rendezvous
44 pages
Print Icon
To Next Page IconTo Next Page
To Next Page IconTo Next Page
To Previous Page IconTo Previous Page
To Previous Page IconTo Previous Page
Loading...
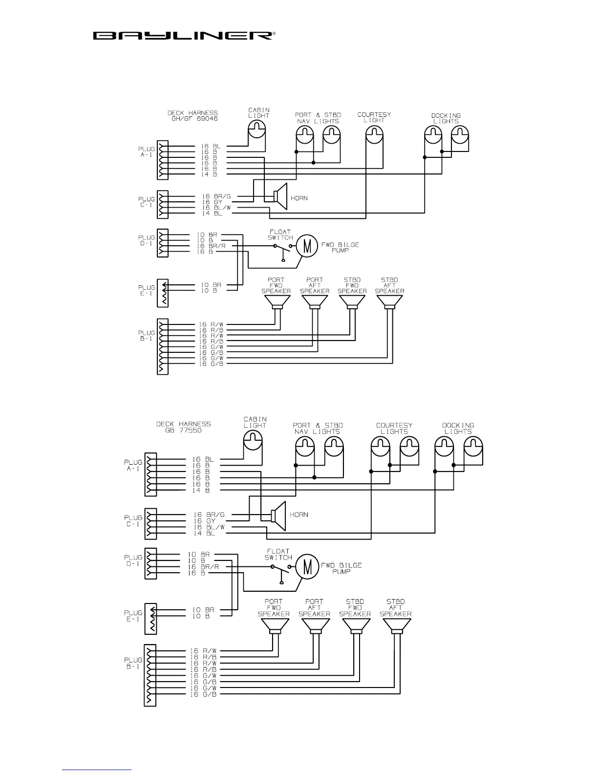
CHAPTER 5: WIRING SCHEMATICS 33
Rendezvous Owner’s Manual Supplement
Deck Harnesses
2109 & 2159
2459 & 2659

Related product manuals