EasyManua.ls Logo

Bayliner Rendezvous - Page 38

Bayliner Rendezvous
44 pages
Print Icon
To Next Page IconTo Next Page
To Next Page IconTo Next Page
To Previous Page IconTo Previous Page
To Previous Page IconTo Previous Page
Loading...
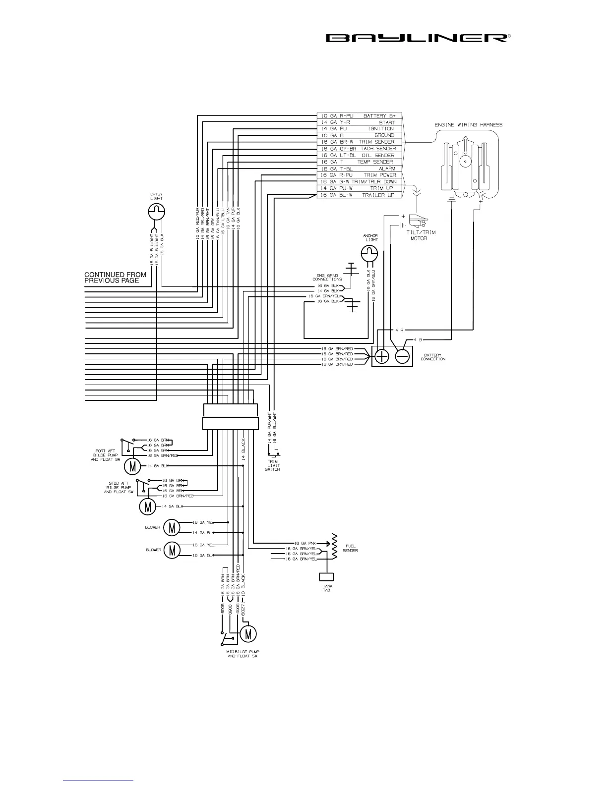
32 CHAPTER 5: WIRING SCHEMATICS
Rendezvous Owner’s Manual Supplement
2659, Part 2 of 2

Related product manuals