EasyManua.ls Logo

Bayliner Rendezvous - Fuse Block Harness

Bayliner Rendezvous
44 pages
Print Icon
To Next Page IconTo Next Page
To Next Page IconTo Next Page
To Previous Page IconTo Previous Page
To Previous Page IconTo Previous Page
Loading...
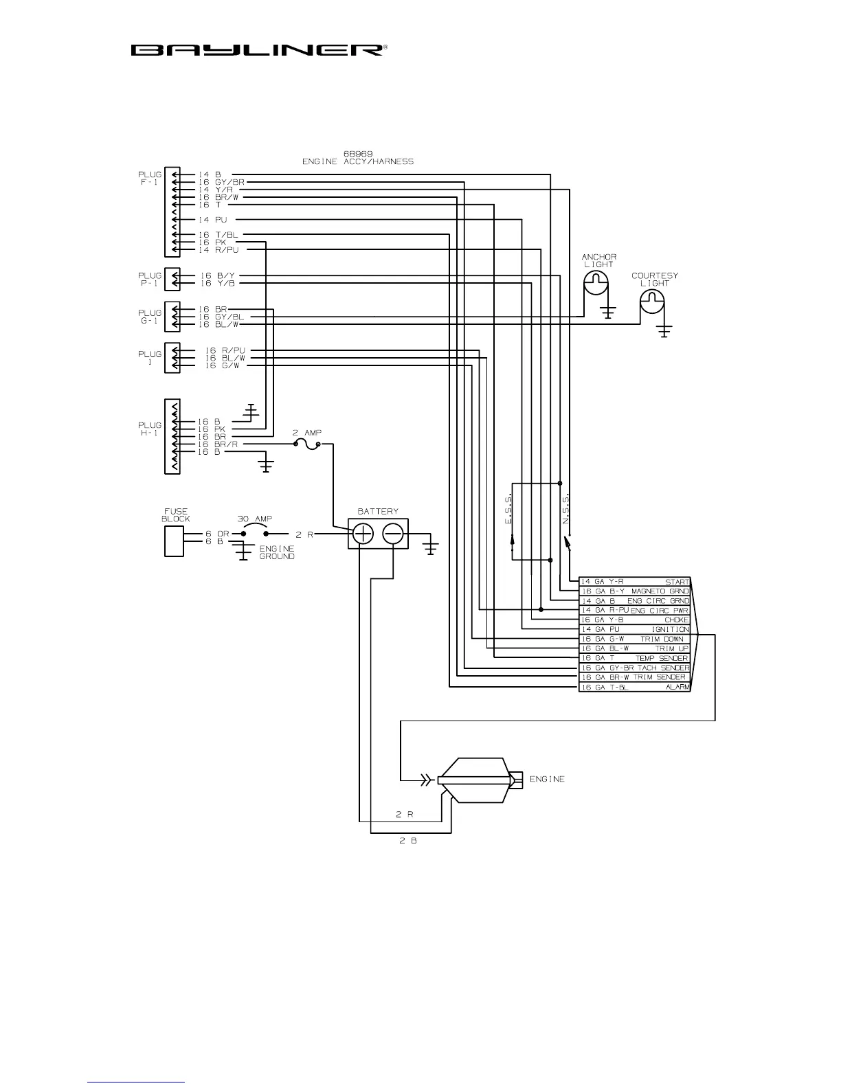
CHAPTER 5: WIRING SCHEMATICS 29
Rendezvous Owner’s Manual Supplement
Engine/Accessory Harnesses
2109

Related product manuals