EasyManua.ls Logo

BBK AV220 - Page 15

BBK AV220
27 pages
Print Icon
To Next Page IconTo Next Page
To Next Page IconTo Next Page
To Previous Page IconTo Previous Page
To Previous Page IconTo Previous Page
Loading...
1 2 3 4
A
B
C
D
4
321
D
C
B
A
Title
Number RevisionSize
A4
Date: 3-Sep-2003 Sheet of
File: E:\BBKAV2~2\SCH\JP007-01.SCH Drawn By:
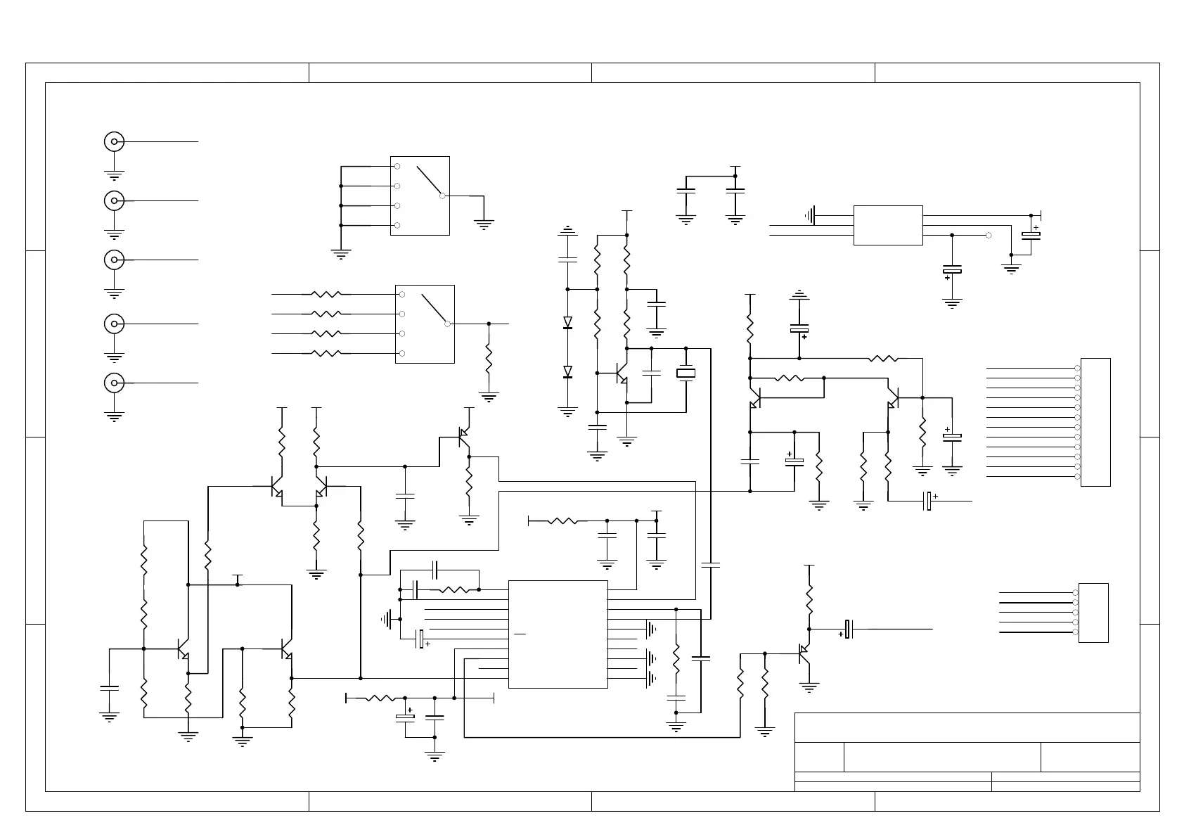
CP1
1
TESTA
2
C/S/
3
SCK
4
SDA
5
AC
6
VDD2
7
CVout
8
LECHA
9
CVin
10
Vss
11
TESTC
12
TESTB
13
P0
14
P1
15
Vss
16
OSCIN
17
CP2
18
HOR
19
VDD1
20
U2
JP007−02
Q9
CS9014
Q2
CS9015
R29
56
R32
3K9
R31
20K
R27
510
R23
1.5K
R15
1K
C22
56P
C21
103
C13
224
C16
470p
C20
103
C17
47UF/16V
C3
47u/16V
C23
220u/16V
C14
10u/16V
Clamp sync chip to 1.5V
+5V
+5V1
+5V
PRE_CLK
PRE_DATA
OSD_CS
R34
10K
OSD_OSC
V_MIX OUT
1
2
3
4
5
6
7
8
9
10
11
12
J1
2.5MMX12
+5V
1
2
3
4
5
J2
2.5MMX5
GND
+5V
B
A
DISG
R26
10
R33
220
Q3
CS9018
R10
33K
+5V
R11
1K
R2
100
C9
22P
R1
2.2K
D1
1N4148
D2
1N4148
C4
104
C5
104
3.58MHZ
XTAL
C7
104
C8
75P
C6
104
R25
10
+5V
Q6
CS9014
Q7
CS9014
R14
1K
Q8
CS9014
R22
68
R19
2K
C19
103
R30
20K
R12
1K
R13
1K
C15
101
R9
1.5K
+5V
R8
1.5K
+5V
Q1
CS9015
+5V
R24
5.1K
SYNC
C18
103
C12
22u/16V
Q4
CS9018
R16
1K
R3
100
+5V
C10
100u/16V
Q5
CS9018
R18
2K
R20
3.3K
R21
1.5K
C11
22u/16V
R28
910
V IN
R17
1K
PRE_DATA
DISG
OSD_CS
+5V
PRE_CLK
B
A
+9V
V_SELECT
GND
-9V
DSIG2
DVD
1
4
2
5
3
6
S1
BNC3Z
V_MIX OUT
DVB
VCD
AUX
1
3
2
4
S2
BNC2Z
X0
12
X1
14
X2
15
X3
11
13
U1A
CD4052
AUX
VCD
DVD
DVB
Y0
1
Y1
5
Y2
2
Y3
4
3
U1B
CD4052
R4
470
R5
470
R6
470
R7
470
INH
6
A
10
B
9
VDD
16
VSS
8
VEE
7
U1C
CD4052
C1
47u/16V
+9V
A
B
-9V
C2
47u/16V
V IN
V INO
+5V2
C25
47UF/16V
+5V
C24
104
R35
10K
C26
100u/16V