EasyManua.ls Logo

BBK AV220 - Page 16

BBK AV220
27 pages
Print Icon
To Next Page IconTo Next Page
To Next Page IconTo Next Page
To Previous Page IconTo Previous Page
To Previous Page IconTo Previous Page
Loading...
1 2 34
A
B
C
D
4
321
D
C
B
A
Title
Number RevisionSize
A4
Date: 3-Sep-2003 Sheet of
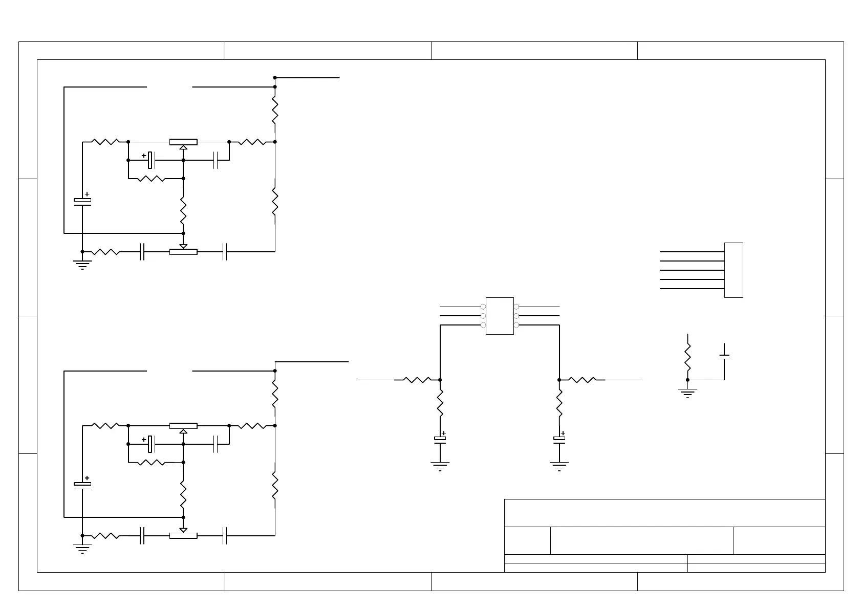
File: E:\BBKAV2~2\SCH\TONE.SCH Drawn By:
C25
0.22u/16V
C13
100u/10V
R59
1K8
C21
473
C17
15N
C22
683
R17
220
R51
3K3
R60
220
R46
150
R57
680
R55
3K3
C26
0.22u/16V
C3
100u/10V
R62
1K8
C24
473
C18
15N
C23
683
R18
220
R58
3K3
R61
220
R47
150
R56
1K
R45
3K3
1
2
3
4
5
J1
CON5
OP1_OUT
OP2_OUT
OP1_-
OP2_-
GND
OP1_OUT
OP2_OUT
13
2
VR3A
VRDB
46
5
VR3B
VRDB
13
2
VR4A
VRDB
46
5
VR4B
VRDB
1
2
3
4
5
6
SW2
SWDPST
R54
1K2
R50
10K
R49
1K2
R48
10K
OP1_OUT OP2_OUT
OP1_- OP2_-
OP1IN OP2IN
OP1IN
OP2IN
C1
100u/16
C2
100u/16
C4
104
R1
100