EasyManua.ls Logo

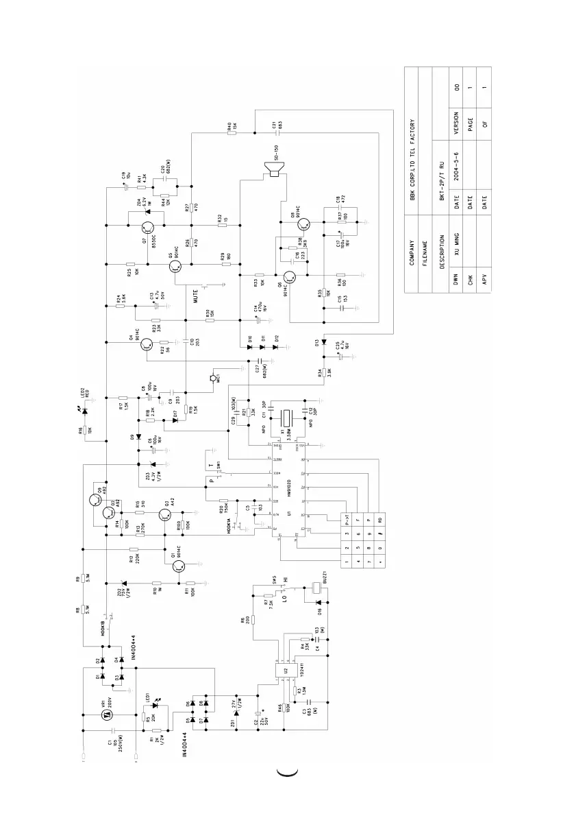
BBK BKT-2P/T RU - Elements Diagram

BBK BKT-2P/T RU
18 pages
Print Icon
To Next Page IconTo Next Page
To Next Page IconTo Next Page
To Previous Page IconTo Previous Page
To Previous Page IconTo Previous Page
Loading...
Elements Diagram
11