EasyManua.ls Logo

BCS 615L - Replacement of Traction Pin

BCS 615L
24 pages
Print Icon
To Next Page IconTo Next Page
To Next Page IconTo Next Page
To Previous Page IconTo Previous Page
To Previous Page IconTo Previous Page
Loading...
BCS Crusader Power Scythes
Page 16 CPS/MAX/0617
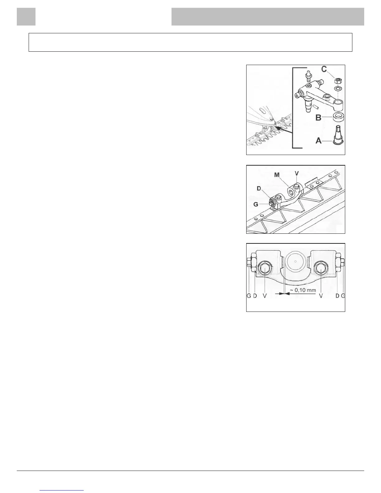
Replacement of Traction Pin
After every 100 hours of operation check the condition of
thebladecontrolpin(Aingure24)andtheferrule(B).
Ifreplacementisrequiredloosentheblocknut(Cingure
24) then slide out the pin (A) and the ferrule (B) and replace
them with new parts.
Checkthesettingscrew(Gingure25)thatxesthesteel
blade (M) and replace if necessary.
Tighten the screws (V) completely on the steel blade and
tighten each setting screw (G) to the same degree until
almost all the play has been eliminated on the blade control
pin(gure26).
Finally lock them with conical lock nut (D).
Figure 24
Figure 25
Figure 26

Related product manuals