EasyManua.ls Logo

BCS PowerSafe 614 PS - Page 30

BCS PowerSafe 614 PS
97 pages
Print Icon
To Next Page IconTo Next Page
To Next Page IconTo Next Page
To Previous Page IconTo Previous Page
To Previous Page IconTo Previous Page
Loading...
28
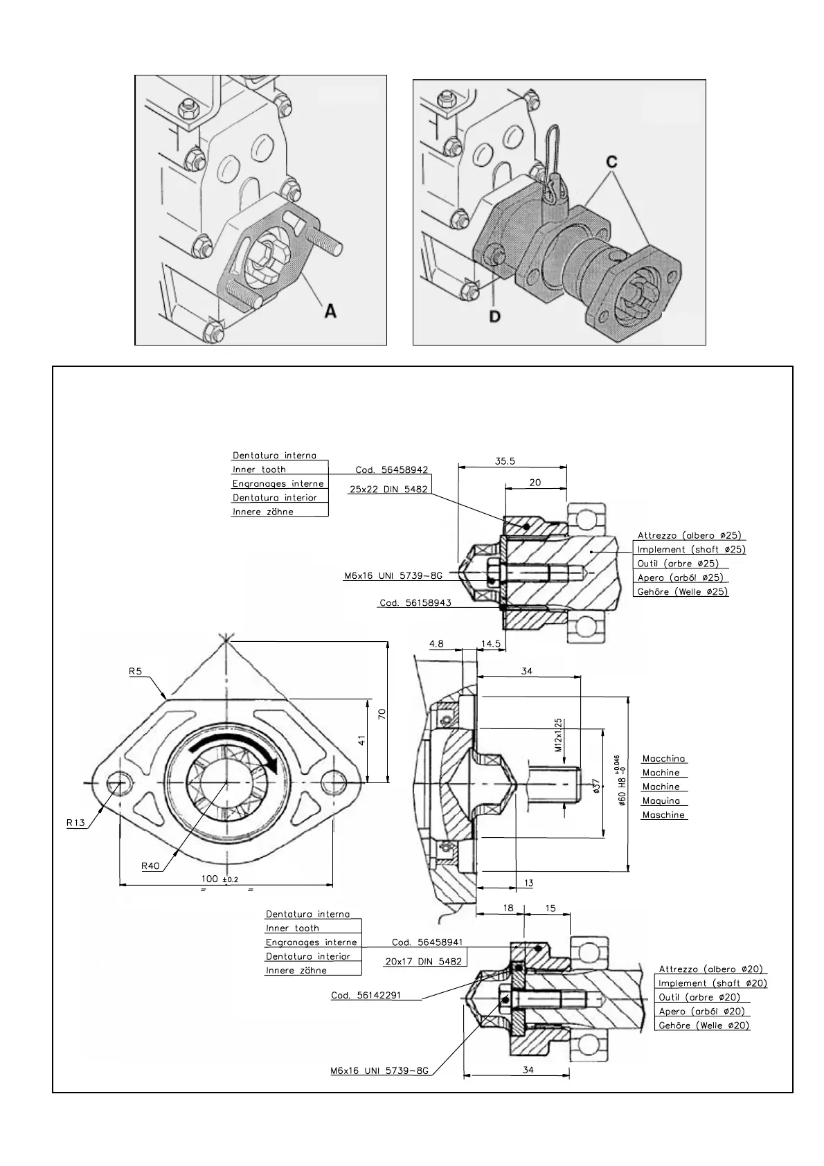
3. CARATTERISTICHE TECNICHE (MFB)_P6 10-19 rev. 0
fig.3/8
fig.
3/7
ROTAZIONE: DESTRA - ROTATION: RIGHT - ROTATION: DROITE - ROTACIÓN: DERECHA - DREHUNG: RECHT
GIRI DELLA PRESA DI FORZA - PTO's RPM - TOURS DE LA PRISE DE FORCE - GIROS DE LA TOMA DE FUERZA
DREHUNGEN DER ZAPFWELLE: 990 @ 3600/1'
fig.3/9

Table of Contents

Related product manuals