EasyManua.ls Logo

BCS PowerSafe 614 PS - Schemi Idraulici; Schema Idraulico Easydrive; Legenda; Hydraulic Diagrams

BCS PowerSafe 614 PS
97 pages
Print Icon
To Next Page IconTo Next Page
To Next Page IconTo Next Page
To Previous Page IconTo Previous Page
To Previous Page IconTo Previous Page
Loading...
75
14. MANUTENZIONE E LUBRIFICAZIONE (MFB)_P7 10-19 rev. 0
14.6
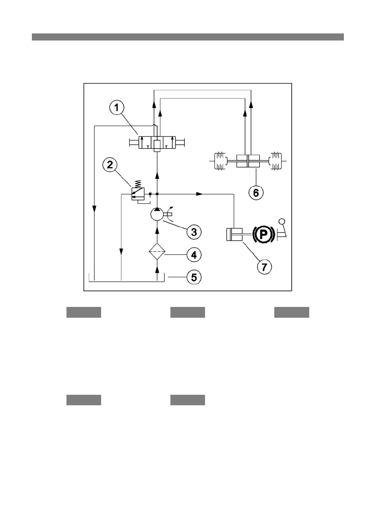
14.6 Schemi idraulici - Hydraulic diagrams - Schéma hydraulique - Esquemas hídraulicos - Hydraulische schema
14.6.1 Schema idraulico EasyDrive - EasyDrive hydraulic scheme - Schéma hydraulique EasyDrive - Esquema
hidráulico EasyDrive - EasyDrive Hydraulikschema
IT
EN
FR
14.6.2 Legenda
1. Distributore a farfalla
2. Valvola di massima
3. Pompa
4. Filtro
5. Serbatoio olio (scatola cambio)
6. Attuatore frizioni idrauliche
7. Attuatore freno
14.6.2 Key
1. Butterfly distributor
2. High pressure switch
3. Pump
4. Filter
5. Oil tank (gearbox)
6. Hydraulic clutch actuator
7. Brake actuator
14.6.2 Légende
1. Distributeur à papillon
2. Vanne de maximum
3. Pompe
4. Filtre
5. Réservoir de l’huile (boîte de
vitesse)
6. Actuateur des embrayages
hydrauliques
7. Actuateur du frein
ES
DE
14.6.2 Legenda
1. Distribuidor de mariposa
2. Válvula de máxima
3. Bomba
4. Filtro
5. Depósito aceite (caja de cambio)
6. Accionador embragues
hidráulicos
7. Accionador freno
14.6.2 Key
1. Klappverteiler
2. Höchstflussventile
3. Pumpe
4. Filter
5. Ölbehälter (Getriebegehäuse)
6. Antrieb der hydraulischen
Kupplungen
7. Bremsantrieb

Table of Contents

Related product manuals