EasyManua.ls Logo

BCS PowerSafe 730 PS/ED - Page 32

BCS PowerSafe 730 PS/ED
73 pages
Print Icon
To Next Page IconTo Next Page
To Next Page IconTo Next Page
To Previous Page IconTo Previous Page
To Previous Page IconTo Previous Page
Loading...
30
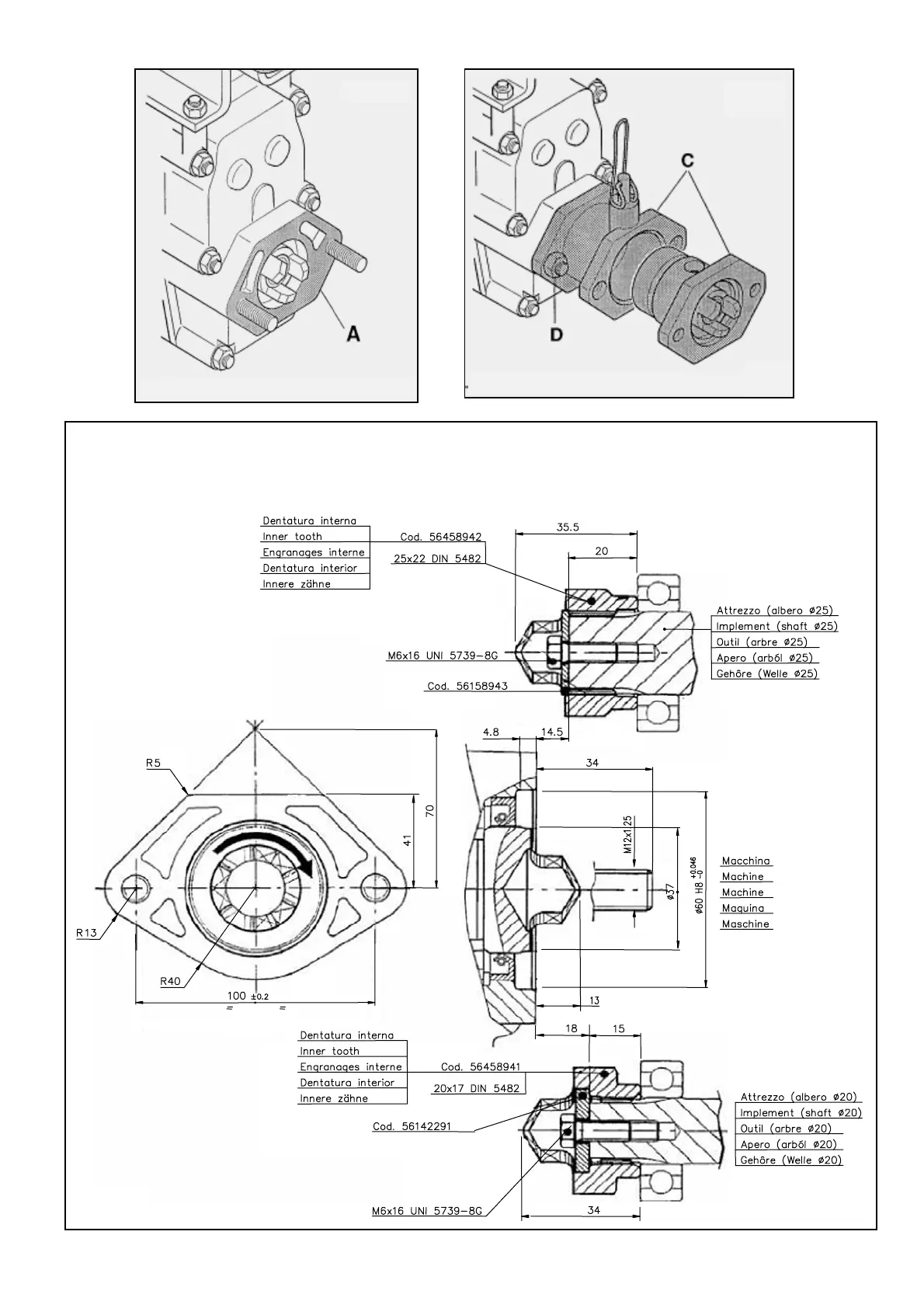
ROTAZIONE: DESTRA - ROTATION: RIGHT - ROTATION: DROITE - ROTACIÓN: DERECHA - DREHUNG: RECHT
GIRI DELLA PRESA DI FORZA - PTO's RPM - TOURS DE LA PRISE DE FORCE - GIROS DE LA TOMA DE FUERZA
DREHUNGEN DER ZAPFWELLE: 990 @ 3600/1'
Fig. 12
710 - 730 - 728 - 738 - 739 - 740 - 749
Fig. 13
710 - 730 - 728 - 738 - 739 - 740 - 749
fig.14

Related product manuals