EasyManua.ls Logo

BE I2500 - Wiring Diagram

Default Icon
44 pages
Print Icon
To Next Page IconTo Next Page
To Next Page IconTo Next Page
To Previous Page IconTo Previous Page
To Previous Page IconTo Previous Page
Loading...
36
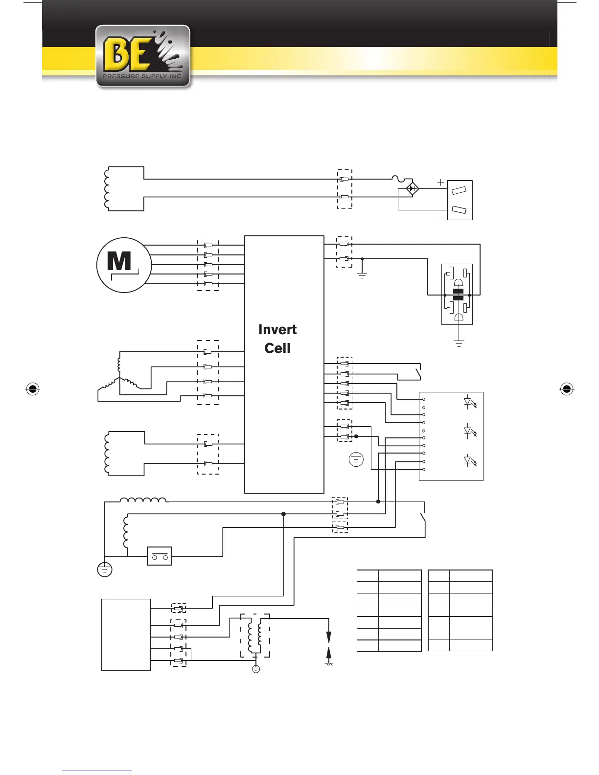
w i r i n g d i a g r a m

bu
bu
bu
bu
r
bl


r
o
y
p
bu bu
bl
y
o
r
bl bl
bl
y
/g
bl
bl
r
bl
bl
bl
r
bl
r
r
r
y
bu
o
bl
bl
bu
gr
a
y
/g
p
o
bu


w bl
w bl








pu
w
bl





w
bu
r
y
/g





 
 


 
 

 



 


w



I2500_3500 Inverter Generator Manual_2011.indd 36 18/10/2011 2:03:56 PM