EasyManua.ls Logo

Beem G-1030ST-E-CERAMIC - Schaltplan; Wiring Diagram; Plan de Distribution; Schakelschema

Beem G-1030ST-E-CERAMIC
Print Icon
To Next Page IconTo Next Page
To Next Page IconTo Next Page
To Previous Page IconTo Previous Page
To Previous Page IconTo Previous Page
Loading...
BEEM – Elements of Lifestyle
52/56
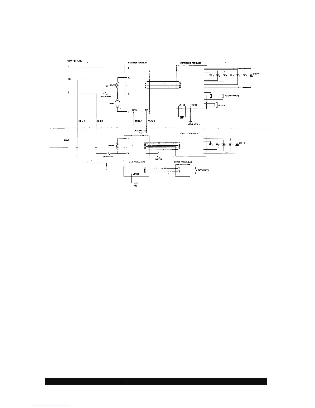
1. Schaltplan / Wiring diagram / Plan de distribution / Schakelschema

Table of Contents