EasyManua.ls Logo

Belimo AFB24-S - Page 18

Belimo AFB24-S
32 pages
Print Icon
To Next Page IconTo Next Page
To Next Page IconTo Next Page
To Previous Page IconTo Previous Page
To Previous Page IconTo Previous Page
Loading...
800-543-9038 USA 866-805-7089 CANADA 203-791-8396 LATIN AMERICA / CARIBBEAN
6
4
A
FB24-MFT N4
(
H
)
, AFB24-MFT-S N4
(
H
)
, AFX24-MFT N4, AFX24-MFT-S N
4
N
EMA 4, Proportional,
S
pring Return, Direct
C
oupled, 24V, Multi-Function Technolog
y
®
W
399_08
V
D
C/
4-2
0
mA
W399_08
PWM
M
W
399_08
On/Off Control
Off C l
W
399_08
F
loatin
g
Point Contro
l
G
K-AF-NF N4H 24V h
ea
t
e
r
N
EMA 4 H
ea
t
e
r
Accessories
T
oo
l
-0
6
8
mm an
d
10 mm wrenc
h
43442
-
00001
Gland
(
needed for additional wires
)
1
1
09
7-
0000
1
G
asket for
G
land (needed for additional wires
)
N
O
TE
:
When using AFB24-MFT N4(H), AFB24-MFT-S N4(H), AFX24-MFT N4 and AFX24-MFT-S N
4
a
ctuators, only use accessories listed on this page.
For actuator wirin
g
information and dia
g
rams, refer to Belimo Wirin
g
G
uide
.
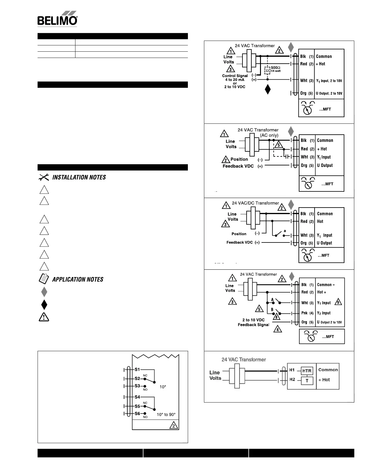
Typical Specification
S
pring return control damper actuators shall be direct coupled type which require no
c
rank arm and linka
g
e and be capable of direct mountin
g
to a
j
ackshaft up to a 1.05”
di
ameter.
Th
e actuator must prov
id
e proport
i
ona
l
d
amper contro
l
i
n response to a 2 to
10 VD
C
or
,
with the addition of a 50
0
Ω
resistor, a 4 to 20 mA control in
p
ut from an
el
ectron
i
c contro
ll
er or pos
i
t
i
oner.
Th
e actuators must
b
e
d
es
i
gne
d
so t
h
at t
h
ey may
b
e
u
sed for either clockwise or counterclockwise fail-safe operation. Actuators shall use
a brushless D
C
motor controlled b
y
a micro
p
rocessor and be
p
rotected from overload
at all angles of rotation. Run time shall be constant, and independent of torque. A 2 to
10 VD
C
feedback signal shall be provided for position feedback. Actuators shall be
c
ULus Approved and have a 5 year warranty, and be manufactured under I
SO
9001
International
Q
ualit
y
C
ontrol
S
tandards. Actuators shall be as manufactured b
y
Belimo.
Wiring Diagrams
1
P
rovide overload protection and disconnect as required
.
2
C
AUTI
O
N Equipment Dama
g
e
!
Actuators ma
y
be connected in
p
arallel if not mechanicall
y
mounted to the same
shaft. Power consum
p
tion and in
p
ut im
p
edance must be observed.
3
Actuators may also be powered by 24 VDC.
4
P
osition feedback cannot be used with Triac sink controller.
T
he actuator internal common reference is not com
p
atible.
5
C
ontrol signal may be pulsed from either the Hot (source) or the
C
ommon
(
sink) 24 VA
C
line
.
8
C
ontact closures A & B also can be triacs
.
A & B should both be closed
f
or triac source and open
f
or triac sink
.
9
Fo
r tri
ac
s
ink th
e
co
mm
o
n
co
nn
ec
ti
o
n fr
o
m th
e
ac
t
ua
t
o
r m
us
t
be
co
nn
ec
t
ed
t
o
th
e
h
o
t
co
nn
ec
ti
o
n
o
f th
e
co
ntr
o
ll
e
r.
Meets UL requirements without the need o
f
an electrical ground
connect
i
on
.
T
h
e
Z
G
-R
0
1
500
Ω resistor ma
y
be used.
W
ARNIN
G
Live Electrical Com
p
onents
!
D
ur
i
ng installation, testing, servicing and troubleshooting o
f
this product, it may be
necessar
y
to work with live electrical com
p
onents. Have a
q
uali
ed licensed electrician
or ot
h
er
i
n
di
v
id
ua
l
w
h
o
h
as
b
een proper
l
y tra
i
ne
d
i
n
h
an
dli
ng
li
ve e
l
ectr
i
ca
l
components
perform these tasks. Failure to follow all electrical safety precautions when exposed to
live electrical components could result in death or serious in
j
ury
.
AFB24-MFT-S N4(H)
AFX24-MFT-S N4
Auxiliary
S
witches
W
600
_AFB_AFX_N4
N40103 - 09/11 - Subject to change. © Belimo Aircontrols (USA), Inc.

Related product manuals