EasyManua.ls Logo

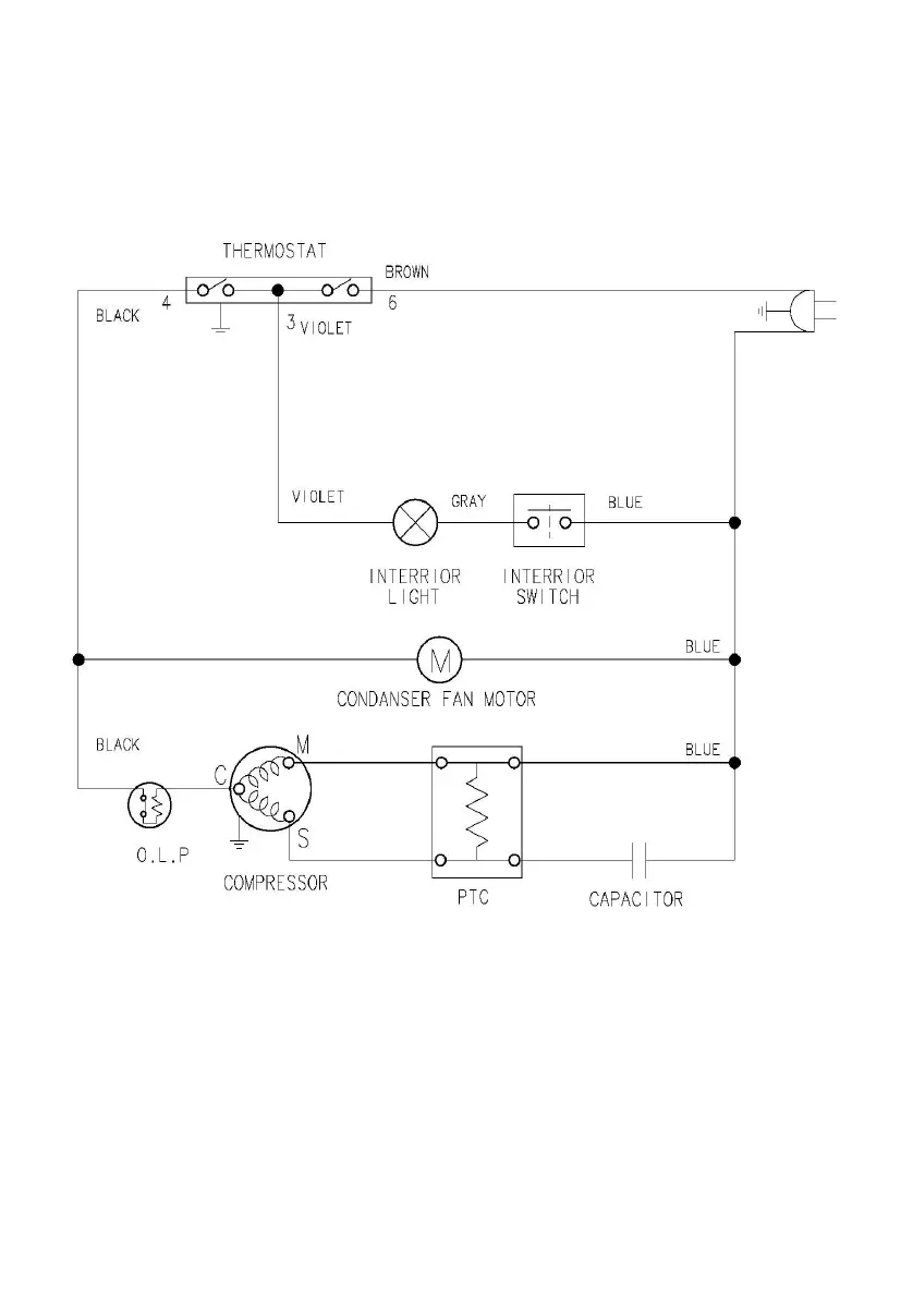
Belling ILF800 - Wiring Diagram

Belling ILF800
25 pages
Print Icon
To Next Page IconTo Next Page
To Next Page IconTo Next Page
To Previous Page IconTo Previous Page
To Previous Page IconTo Previous Page
Loading...
23
WIRING DIAGRAM

Related product manuals