EasyManua.ls Logo

Belson BSA-3750 - Block Diagram

Belson BSA-3750
44 pages
Print Icon
To Next Page IconTo Next Page
To Next Page IconTo Next Page
To Previous Page IconTo Previous Page
To Previous Page IconTo Previous Page
Loading...
DVD - DivX Player - BSA3750
23
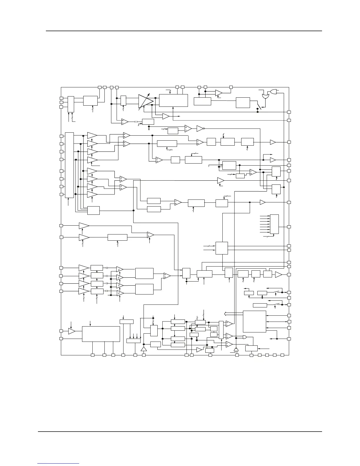
BLOCK DIAGRAM
The major subsystem of the ES6603 are shown in the figure below.
ES6603 Block Diagram
DVDRFP
DVDRFN
BYP
FULL WAVE
RECTIFIE
R
DIN
AGC
CHARGE
PUMP
PROGRAMMABLE
EQUALIZE
R
FILTER
DIFFERENTIATOR
FN P
FN
N
AGC
RX
A
B
C
D
GCA
GCA
GCA
GCA
3
A +
D
B +
C
FE
PI
SU
M
Amp.
RF AC
RFSIN
MUX
LP
F
TE
MUX
CD/DVD
A2
B2
C2
D2
EQ
EQ
EQ
EQ
PHASE
DETECTOR
PHASE
DETECTOR
Comp.
GCA
GCA
GCA
GCA
3
CD_E
CD_F
CE
CN
CP
DFT
RFDC
MIN
D VD LD
C DL D
M L P F
M P
M B
DVDPD
CDPD
LD H/L
Dual APC
MIRR
SDEN
SCLK
SERIAL PORT
REGISTER
V125
VC
VCI for servo input
SIGR b
3
APC SEL
DVD/CD
V P A
V P B
VN A
VN B
RFCR b7-6
2
2
IMPU
T
BIAS
LPF
Buff
TE
RS
T
+-3d
B
V33
V33 for Output buff
M E V
M E V O
Offset
cance
l
PIOR b4-0
PI off
set
5
CP/CN
Low Imp
AGC HOLD
INPUT IMP SE
L
LPF
Clamp
& En
v
Level
DA
C
2
GCA
GCA
GC
A
TRCR2 b3-0
3B
4
SEL
CD_A
CD_B
CD_C
CD_D
GCA
GCA
GCA
GCA
w/LPF
AGCO
70kH
z
70kH
z
for TE,FE & CE output ref.
PII
+/- 4d
B
MU
X
w/LP
F
w/LP
F
w/LP
F
RFCR b2-0
3
3
SSOU
T
B +
D
A +
C
A
B
C
D
CD/DVD
CDR b4
CCR b5
INPUT SE
L
INPUT IMP SE
L
RFCR b2-0
TRCR2 b6-4
DPD EQ
TRCR b
6
DPD COMP HYS O
N
PDCR b3
TRCR2 b7
PDCR b3
CTCR b3-0
CO gai
n
CBR b1-0
RFCR b3
CAR b3-2
SIGDET
RFCR b5-4
FCCR b6-0
FBCR b6-
0
CAR b1-0
Env/Clam
p
(CDR
b5=1)
6dB is added
@high
gain mode
(CDR
b5=1)
12dB is added
@high gain
mode
CONTROL
Signal
s
To
each block
CDR b3
VC
2
Offset
cance
l
CER b4-
0
CE offse
t
4
GCA
0-
+8dB,4bit
4
Offset
cansel
CCR b4-0
FE offse
t
5
GCA
+/- 6dB 4bit
4
AT OP
AT ON
ATT
4
SIGR b7-
4
ATT
AIN
AI
P
Offset
cance
l
TRCR
b5-0
TR offse
t
6
GCA
3
CFR b7-5
TR Gai
n
GCA
FOCR b7-4
FS gai
n
4
+/- 4dB
MNTR
MON
SE
L
CDR b6
HLDEN
FE
SEL
CE
V2
5
V125
V25/
3
3
Tenvb
PIOR b7-
5
CBR b5-
4
TE MASK sel
LD ON
TOPHLD
TOPHLD
V25
V25/2
TOP HLD
BTM ENV
BTM HLD
TOP ENV
ATT
ATT
MUX
PI
TE
MUX
VC
PII
A G C O
Ten vb
MRCR2 b7 -0
droop rate
control
4D
SU
M
MUX
offset
MUX
Vref
Btm clam
p
& clip
MUX
MU
X
Btm Env
CBR b3-2
TOPHLD
2
DAC
COMP
CTCR b7
BCA DET
TPH
2
DIP
LCN
LCP
SUB
CFR b4
CEFD
B
CFR b2-0
CE-ATT
LP
F
AT
T
Pol.
sel
Buf(-12dB)
3
GCA
CGR b5-4
Gain
LINK
CDR b7
LINKEN
CFR b3
CEPOL
CCR b7
DISK DET
SDATA
FOCR b3-0
FO Gai
n
RESUM
2
14
CDR b5
High gain
AG C B TM EN V
CTCR b5-4
MEVO SEL
2
CHR b7-6
Mirr Defec
t
Comp ATT
2
MRCR b6-4
Mirr Com
p
ATT Leve
l
3
@high
gain mode
SIGR b2-
0
(CDR
b5=1)
12dB is added
(CDR b5=1) @high
gain mode
SIGR b2-
0
12dB is added
CGR b1
OUTPUT INHIBIT
CGR b0
OUTPUT INHIBIT
CDR b2
V25/3
for PI output ref.

Related product manuals