EasyManua.ls Logo

Benchmark BG11 500DE - Page 137

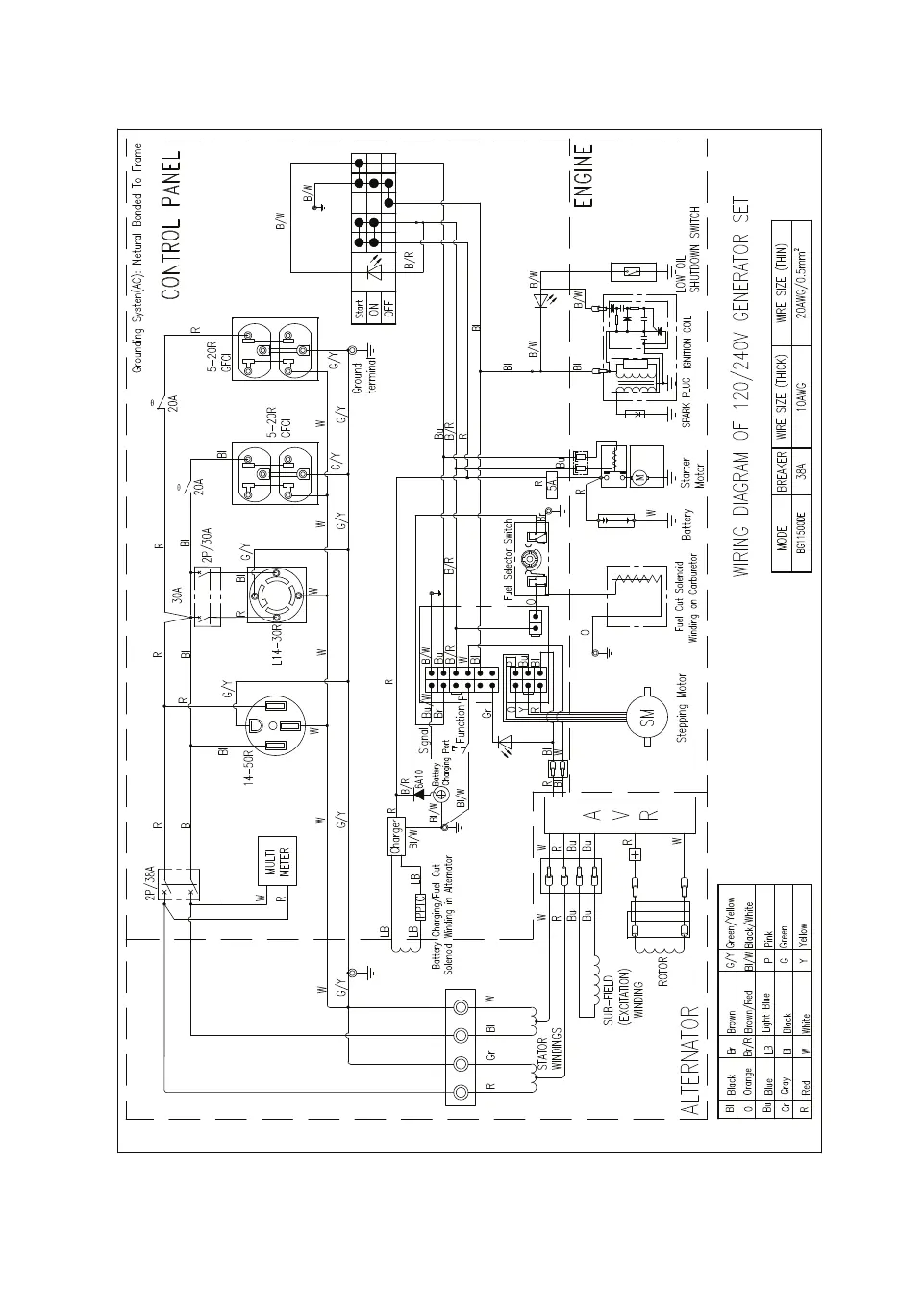
Benchmark BG11 500DE
146 pages
Print Icon
To Next Page IconTo Next Page
To Next Page IconTo Next Page
To Previous Page IconTo Previous Page
To Previous Page IconTo Previous Page
Loading...
58
BG SERIES
DIAGRAMME DU CÂBLAGE BG11,500DE

Table of Contents

Related product manuals