EasyManua.ls Logo

Benchmark BG6250E - Page 136

Benchmark BG6250E
146 pages
Print Icon
To Next Page IconTo Next Page
To Next Page IconTo Next Page
To Previous Page IconTo Previous Page
To Previous Page IconTo Previous Page
Loading...
57
MC
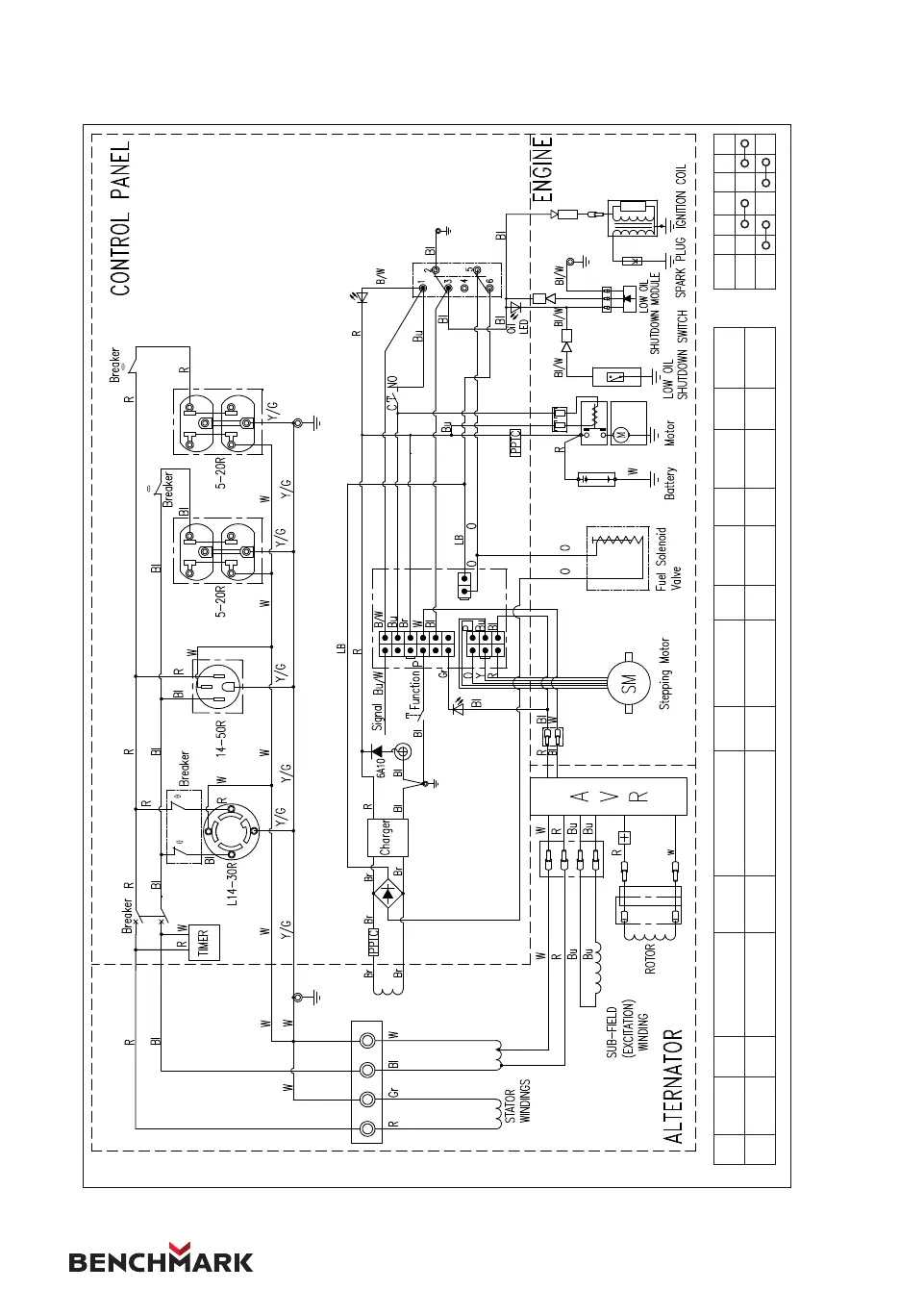
DIAGRAMME DU CÂBLAGE BG11,500E
Black
Brown
Bl
Br
Yellow/Green
Orange
Y/G
O
Brown/Red
Black and White
Br/R
Bl/W
Blue
Light Blue
Bu
LB
Green
Gray
G
Gr
W WhiteBlack
Red
Bl
R
ENGINE SWITCH CONNECTIONS
OFF
1 2 3 4 5 6
ON

Table of Contents

Other manuals for Benchmark BG6250E

Related product manuals