EasyManua.ls Logo

BENDIX TP-4 TRACTOR PROTECTION VALVE - Preventive Maintenance; Service Checks; Operating and Leakage Checks

BENDIX TP-4 TRACTOR PROTECTION VALVE
6 pages
Print Icon
To Next Page IconTo Next Page
To Next Page IconTo Next Page
To Previous Page IconTo Previous Page
To Previous Page IconTo Previous Page
Loading...
3
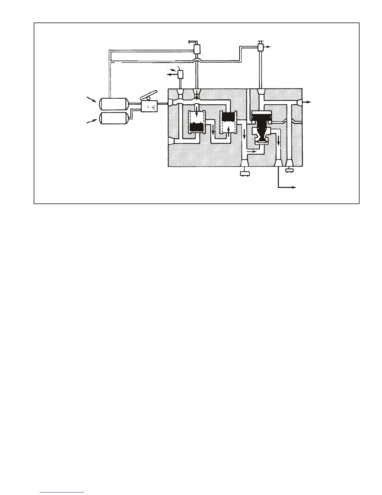
FIGURE 4 TP-4
TRACTOR PROTECTION VALVE (TRAILER APPLICATION)
PREVENTIVE MAINTENANCE
Important: Review the Bendix Warranty Policy before
performing any intrusive maintenance procedures. A
warranty may be voided if intrusive maintenance is
performed during the warranty period.
No two vehicles operate under identical conditions; as
a result, maintenance intervals may vary. Experience is
a valuable guide in determining the best maintenance
interval for air brake system components. At a minimum,
the TP-4
valve should be inspected every 6 months or
1500 operating hours, whichever comes rst, for proper
operation. Should the TP-4
valve not meet the elements
of the operational tests noted in this document, further
investigation and service of the valve may be required.
SERVICE CHECKS
OPERATING AND LEAKAGE CHECKS
1. With ignition switch on, place tractor protection control
valve in emergency position. If vehicle is equipped with
emergency stop light switch, trailer stop lights should
function.
2. Charge air brake system to governor cut-out and block
wheels.
3. Apply trailer hand control valve and check at open
tractor service hose coupling for leakage. Excessive
leakage would indicate faulty tractor protection valve
inlet valve. (Item 6, Figure 2)
4. Release trailer hand control valve and place tractor
protection control valve in normal position, with trailer
supply hose connected to trailer supply hose coupling.
5. Connect tractor service hose coupling to a test
gauge.
6. Apply trailer hand control valve and note that service
air pressure is present at the service hose coupling. If
service air pressure is not present, this would indicate
either a faulty tractor protection valve or a faulty shuttle
in one of the double check valves. Check foot brake
valve exhaust for leakage. If leakage is detected,
double check valve requires servicing. Release trailer
hand control valve.
7. With ignition switch on, apply and hold a foot brake
valve application and note that stop lights function.
Check foot brake valve exhaust for leakage. If leakage
is detected, double check valve requires servicing.
8. Disconnect line from primary circuit delivery (PCD) port.
Plug end of line. (NOTE: Fitting and crimped copper
tubing can be assembled and used as a plug. Care
should be used so that there is no danger, if plug be
loosened, that it be projected by air when application
of foot brake valve is made.)
9. Make a foot brake valve application and check primary
circuit delivery (PCD) port of manifold for leakage.
Leakage at port indicates double check valve requires
servicing. Remove plug from line and reconnect to
manifold.
STOP-LIGHT SWITCH
STOP LIGHT SWITCH
TO TRAILER SERVICE
TRAILER
EMERGENCY
VENT
TRAILER SUPPLY VALVE
TO TRAILER
EMERGENCY
TRAILER CONTROL VALVE
TWO WAY VALVE
PRIMARY
RESERVOIR
SECONDARY
RESERVOIR
DUAL
BRAKE
VALVE
TO LIMITING AND
Q.R. VALVE
A
B
C

Related product manuals