EasyManua.ls Logo

Bertazzoni PROF365INS - Page 30

Bertazzoni PROF365INS
36 pages
Print Icon
To Next Page IconTo Next Page
To Next Page IconTo Next Page
To Previous Page IconTo Previous Page
To Previous Page IconTo Previous Page
Loading...
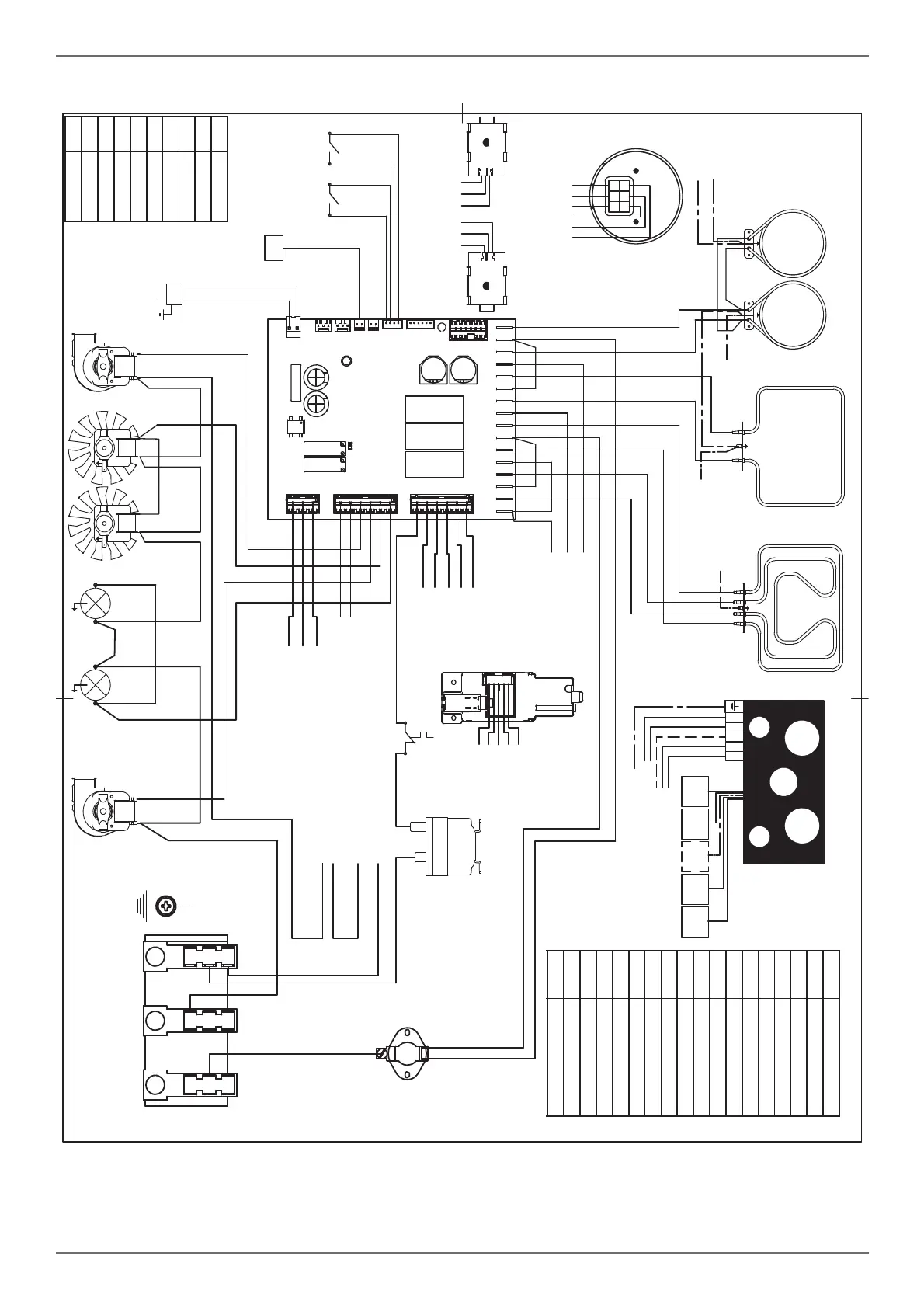
12
to CN1 - 1
to CN1 - 2
to CN1 - 3
to CN1 - 4
to CN1 - 5
to CN1 - 6
EG
M
L1 N L2
GROUND
LF
LF
MVMV
MVT
down
MVT
up
PT
RG+RC
RP
RCRC
Simb. Description
mBrown
rRed
gv Green
vViolet
gr Grey
aOrange
nBlack
bBlue
bi White
COLOURS
Simb. Description
B Thermal cut-out
CMV Cooling fan air sensor switch
DL Door Lock - Door Switch
EG Electronic Gauge
FS Oven Function Selector
G Spark Generator
IGN Ignition Micro switches
TS Oven Temperature Selecton
K Termal cut out
LF Oven lamp
MTerminal Block
MT Meat Probe
MV Fan motor
MVT Cooling fan motor
PT Oven sensor Temp. (PT1000)
RC Round element
RC+RG Upper/grill element
LEGENDA
CN1- 1....6
1..4
CN2
CN21
1.3
CN24
1.3
CN23
CN30
CN22 -3.1
CN27 - 6.....1
CN28 - 6.....1
DL
to M-L1
to CN27 - 6
to CN27 - 5
to CN26 - 2
to CN26 - 3
to M-L1
to DL
to DL
to M-N
to M-L1
TS
to CN23 - 3
to CN23 - 2
to CN23 - 1
FS
to CN23 - 3
to CN23 - 2
to CN23 - 1
to DL
to DL
to M-L1
to M-N
to GROUND
TSS
1
2
K
B
n
to M-L1
to M-L1
to M-L1
CMV
down
CMV
up
R1 R2 R3 R4 R5
1
2
3
4
5
12345
INDUCTION COOKTOP
[to M-L2]
[to M-L1]
[to ground]
MT
A
B
a
a
v
v
b
b
gr
gr
r
r
n
n
n
n
n
bi
bi
bi
bi
b
r
a
bi
r
n
n
n
bi
to MV
to MV
to MV
to MV
to M-GROUND
to RP
NOT USED
/ Schéma de câblage
DFS

Related product manuals