EasyManua.ls Logo

Bertazzoni PROF365INS - Schéma de Câblage

Bertazzoni PROF365INS
36 pages
Print Icon
To Next Page IconTo Next Page
To Next Page IconTo Next Page
To Previous Page IconTo Previous Page
To Previous Page IconTo Previous Page
Loading...
11
/ Schéma de câblage
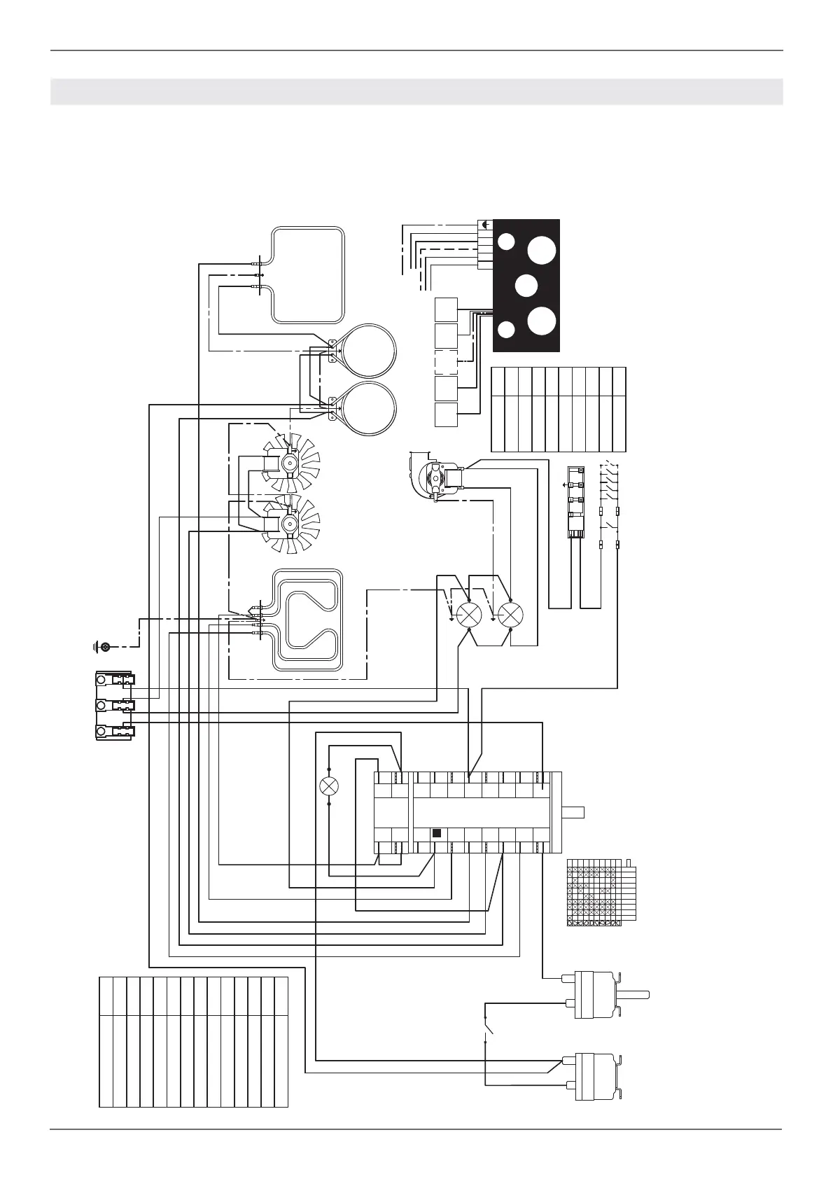
SCHÉMA DE CÂBLAGE
Les schémas de câblage électrique gurent à l'arrière de la cuisinière et ne peuvent être retirés que par un
technicien de maintenance, qui doit les remettre en place une fois l'entretien réalisé.
DFM
G
IGN
bi
S
LF
MVT
T
RG+RC
RP
n
a
b
b
M
L1 N L2
GROUND
TSS
1
2
CMV
P1
Commutatore.9+0
1
P2
P3
P4
P5
P6
P7
P8
P1
P2
2
3
4
5
6
7
8
1
2
P2
P1
P8
P7
P6
P5
P4
P3
P2
1
0
4
3
P1
2
5
6
7
8
9
COM
RCRC
MV MV
LF
Simb. Description
mBrown
rRed
gv Green
v Violet
gr Grey
aOrange
nBlack
bBlue
bi White
COLOURS
v
v
n
bi
bi
a
a
b
r
a
gr
b
v
b
a
bi
r
Simb. Description
IGN Ignition Micro switches
COM Oven Function Selector
CMV Cooling fan air sensor switch
LF Oven lamp
MTerminal Block
MV Fan motor
MVT Cooling fan motor
RC Round element
RC+RG Upper/grill element
RP Lower element
S Signal lights
TSS Safety Thermostat
TThermostat
LEGENDA
[to ground]
[to A-L1]
[to A-L2]
R1 R2 R3 R4 R5
1
2
3
4
5
12345
INDUCTION COOKTOP

Related product manuals