EasyManua.ls Logo

Bertazzoni Professional Series - Wiring Diagram

Bertazzoni Professional Series
56 pages
Print Icon
To Next Page IconTo Next Page
To Next Page IconTo Next Page
To Previous Page IconTo Previous Page
To Previous Page IconTo Previous Page
Loading...
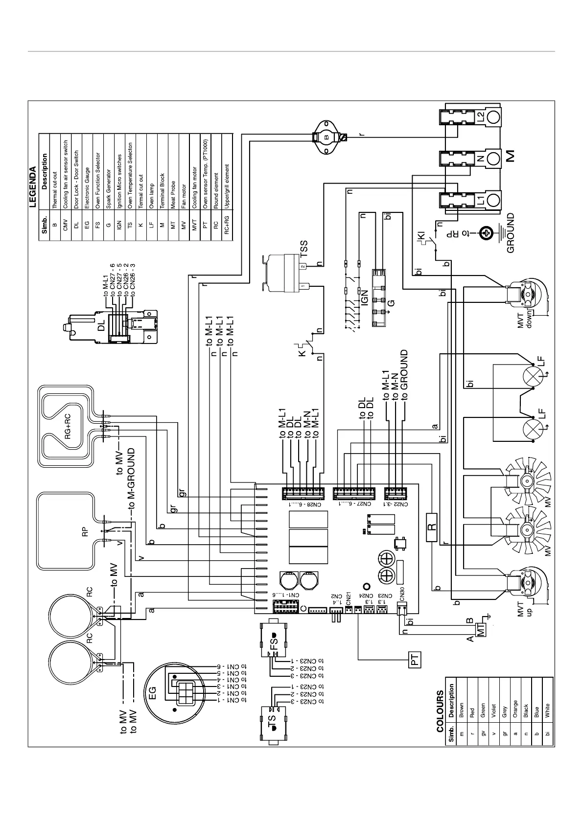
WIRING DIAGRAM
The electric wiring diagrams and schematics are attached behind the range, and should not be removed except by a
service technician, then replaced after service.
Fig. 11
18

Table of Contents

Other manuals for Bertazzoni Professional Series

Related product manuals