EasyManua.ls Logo

Bertolini C 300 Series - Errors to Avoid

Bertolini C 300 Series
Print Icon
To Next Page IconTo Next Page
To Next Page IconTo Next Page
To Previous Page IconTo Previous Page
To Previous Page IconTo Previous Page
Loading...
13
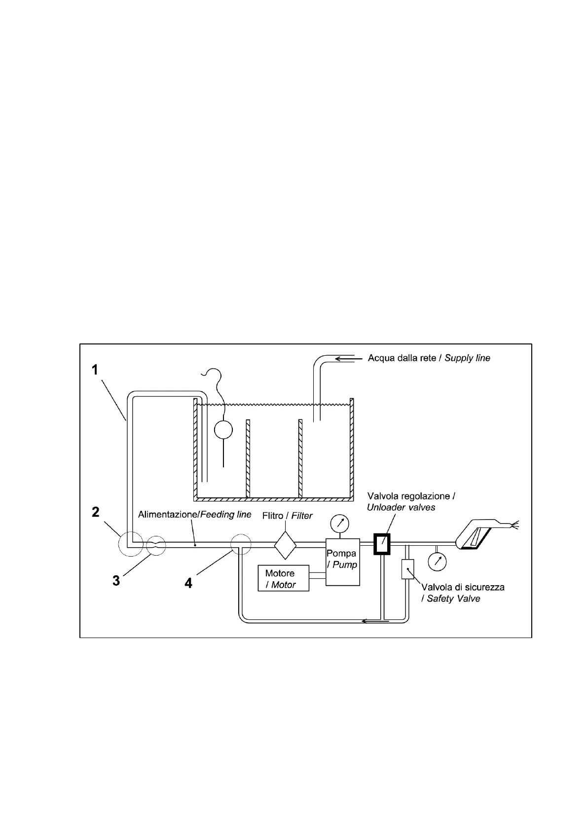
1) Level switch; 11) Pressure regulating
2) Thermostat; valve;
3) Minimum tank capacity: 12) Regulating valve BY-PASS;
pump flowX4; 13) Outlet;
4) Watertight bulkheads on the bottom; 14) Pressure gauge;
5) Suction line 15) Pulsation dampener;
minimum dia. 47mm for C3006 16) By-pass line;
minimum dia. 33mm for CK3003; 17) tank feed;
6) Inlet filter; 18) Section valve to by-pass the flow
7) Pressure switch to control when starting the pump
inlet; 3/4” for pumps CK 3003
8) Suction collector with 1” for pumps C 3006
minimum diameter 33mm; 19) Minimum dia. 25mm;
9) Safety valve; 20) Minimum dia. 18mm.
10) Safety valve BY-PASS;
4.5 ERRORS TO AVOID
1) Avoid for not having “siphon” effect
2) Avoid to install elbows 90°
3) Avoid diameters reductions;
4) Never connect the by-pass line with return on the inlet line.

Other manuals for Bertolini C 300 Series

Related product manuals