EasyManua.ls Logo

BestCode Next 8 Series - Page 143

BestCode Next 8 Series
305 pages
Print Icon
To Next Page IconTo Next Page
To Next Page IconTo Next Page
To Previous Page IconTo Previous Page
To Previous Page IconTo Previous Page
Loading...
BestCode Next Series 8 Technical Manual October 2022 Page 129 of 290
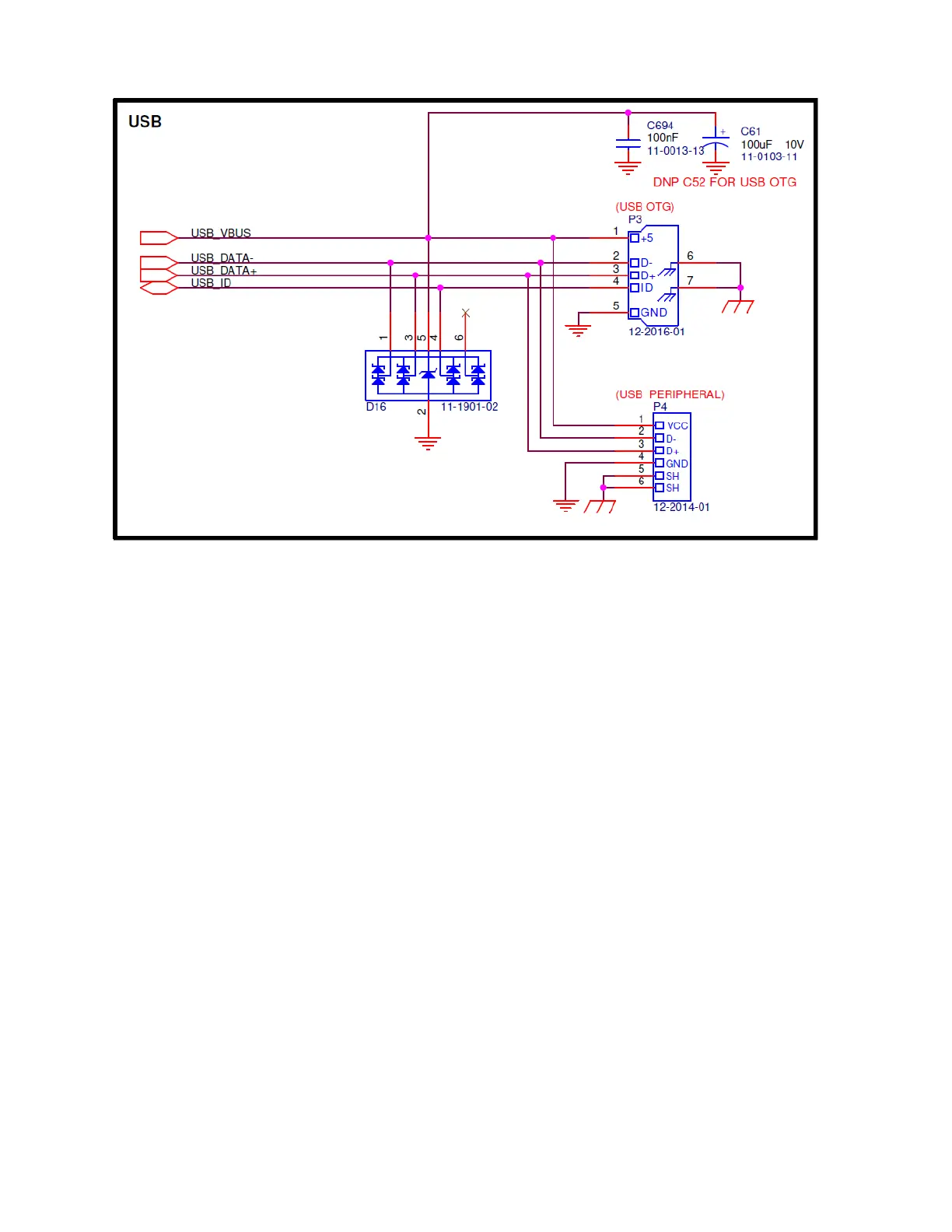
USB

Table of Contents

Other manuals for BestCode Next 8 Series

Related product manuals