EasyManua.ls Logo

Bezzera BZ09 - Electrical System Details; Wiring Diagram; Component Identification

Bezzera BZ09
Print Icon
To Next Page IconTo Next Page
To Next Page IconTo Next Page
To Previous Page IconTo Previous Page
To Previous Page IconTo Previous Page
Loading...
7
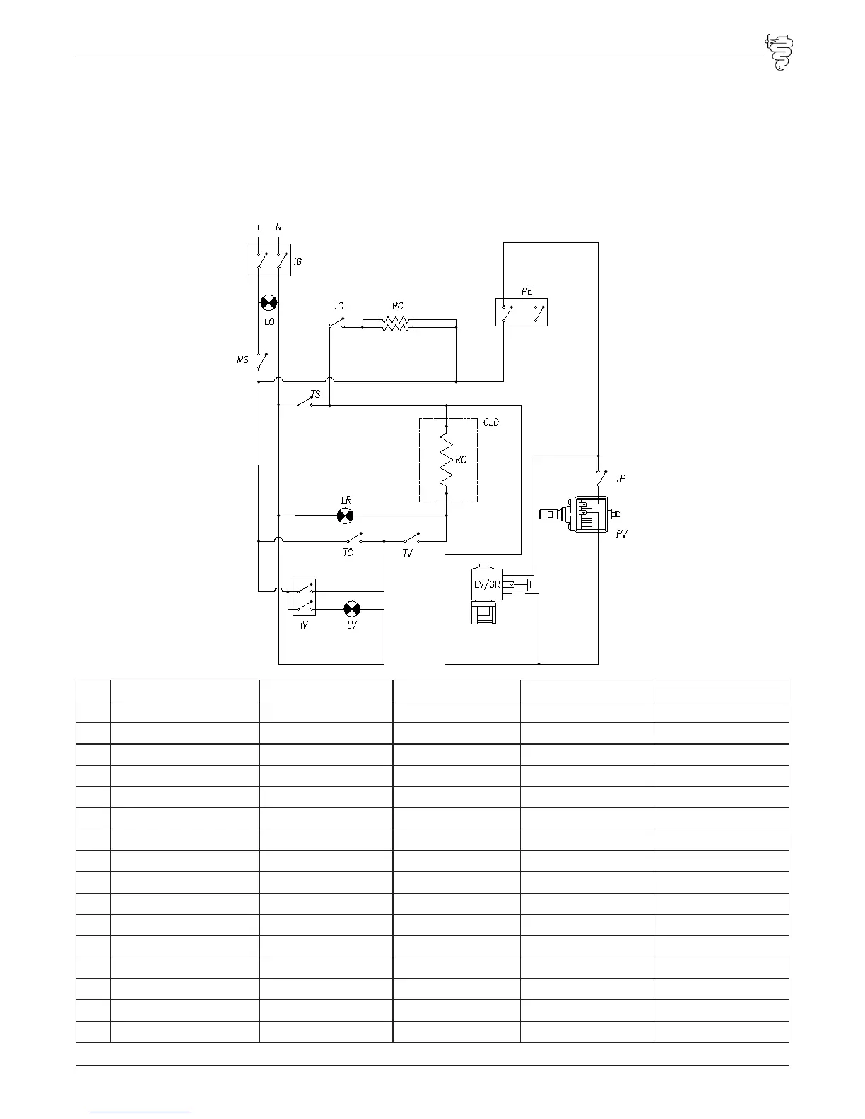
MOD. BEZZERA BZ09
Cod. 9941833
SCHEMA ELETTRICO - WIRING DIAGRAM - SCHEMAS ELECTRIQUES
SCHALT PLANE - ESQUEMAS ELECTRICO
CLD Caldaia Boiler Chaudière Kessel Caldera
IG Interruttore generale Main switch Interrupteur général Hauptschalter Interruptor general
RG Resistenza gruppo Group heating element Résistance groupe Heizwiderstand Resistencia grupo
IV Interruttore vapore Steam switch Interrupteur vapeur Dampfschalter Interruptor vapor
LO Lampada ON On lamp Lampe ON Lampe ON Lámpara ON
LR Lampada resistenza Heating lamp Lampe résistance Lampe Heizung Lámpara resistencia
LV Lampada vapore Steam lamp Lampe vapeur Lampe Dampf Lampara vapor
MS Microinterruttore Tank microswitch Interrupteur réservoir Tankschalter Pulsador tanque
PE Pulsante erogazione Push button for delivery Bouton distribution Ausgabe-taste Pulsador suministro
PV Pompa vibrazione Vibration pump Pompe à vibration Vibrationspumpe Bomba de vibración
RC Resistenza caldaia Boiler heating Résistance chaudière Kesselheizung Resistencia caldera
TC Termostato caldaia Boiler thermostat Thermostat chaudière Kesseldruckwaechter Termostato caldera
TP Termostato pompa Pump thermostat Thermostat pompe Pumpedruckwaechter Termostato bomba
TS Termostato di sicurezza Safety thermostat Thermostat de sécurité Sicherheitsthermostat Termostato de seguridad
TG Termostato gruppo Group thermostat Thermostat groupe Thermostat gruppe Termostato grupo
GR EV gruppo Solenoid valve Electrovanne Elektroventil Electrovalvula
TV Termostato vapore Steam thermostat Thermostat vapeur Thermostat Dampf Termostato vapor
BZ09

Table of Contents

Related product manuals