EasyManua.ls Logo

BFT DEIMOS BT - Page 46

BFT DEIMOS BT
Print Icon
To Next Page IconTo Next Page
To Next Page IconTo Next Page
To Previous Page IconTo Previous Page
To Previous Page IconTo Previous Page
Loading...
Fig. B
.0#"#$','"-
0"'-
MENU CONFIGURACION AUTOMATICA
Configura automáticamente el par motores.
¡ATENCION! Durante la fase de configuración
automática, la función de detección de obstáculos no
resulta activada, por lo que el instalador debe controlar
el movimiento del automatismo y vigilar que personas
y cosas se mantengan fuera del radio de acción del
mismo.
MENU ANTERIORES
FIG. A
OK
OK
-
+
-
+
-
+
-
+
+-
$',#
+-
$',#
OK
+-

OK
32-QCR
+-
$',#
GBGMK?
'2
$0
"#3
#,%
CQN
OK OK
OK
OK
OK
OK
+-
$',#
-
+
-
+
-
+
-
+
OK
OK
.0%
.0%
.0%
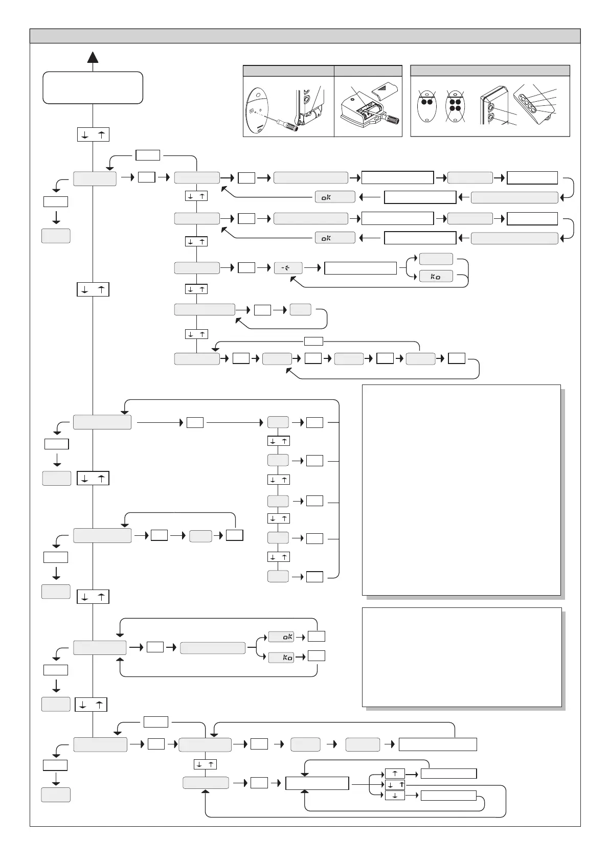
Presione P1 del radiomando.
Presione Tecla deseada del
radiomando (véase la Fig. B3).
Presione Tecla deseada del
radiomando (véase la Fig.
B3
).
Suelte P1 del
radiomando
,"
QR?PR
2#!*#1!-,"'"
13#*2#
2#!*"#1#"

.0%
*##0
MENU RADIO
A N A D I R - P e r m i t e a g r e g a r u n a t e c l a d e u n
radiomando en la memoria del receptor. Después de la
memorización, el display visualiza en qué posicn de
la mem o r i a ha sido mem o r i z ado el ra d iomando
(número de 01 a 64).
ANADIRTecl a st ar t - asocia la tecla deseada al
comando Start.
ANADI R Te cl a 2 c h - asocia la t e c l a deseada al
comando 2o canal radio.
LEER - Efectúa un control de una tecla de un receptor.
En caso de memorizacn, el display visualiza en qué
pos i c i ó n de la m e m o r i a h a s i do mem o r iz a d o e l
radiomando (mero de 01 a 64), así como el número
de la tecla (T1-T2-T3 o T4).
ELIMINAR 64
¡ATENCION! Elimina, completamente, de la memoria
del receptor todos los radiomandos memorizados
COD. RX
Visualiza el código receptor.
Léase el apartado 11.
OK
OK
OK
!,!#*0
-
+
-
+
Presione P1 del radiomando.
Presione Tecla deseada del
radiomando (véase la Fig. B3).
Suelte P1 del
radiomando
,"AF
2#!*#1!-,"'"
13#*2#
2#!*"#1#"

OK
-
+
R
!-"06
OK
!
OK
$ "
OK
OK
-
+
+-
T1
T2
T1
T2
T3
T4
1 2
3
T1 T2 T1 T2
T4
T3
P1P1
P1
-
+
+-
-
+
-
+
dispositivo anterior
dispositivo sucesivo
lista de dispositivos reconocidos
+-
@SQA?P
-
+
KMQRP?P
OK OK
$?QRLCR
DGLC

dispositivo memorizado
OK
CCNP
46 - DEIMOS BT - NETTUNO S-MA - Ver. 04
D811495_04

Related product manuals