EasyManua.ls Logo

BFT RTD - Page 34

BFT RTD
Print Icon
To Next Page IconTo Next Page
To Next Page IconTo Next Page
To Previous Page IconTo Previous Page
To Previous Page IconTo Previous Page
Loading...
34
- RTD- Ver. 03
D811347_03
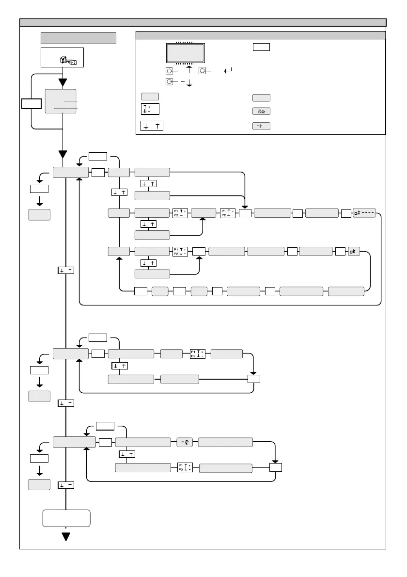
Fig. A
OK
Presione la tecla OK
BFT
RTD1.0
00
OK
ACCESO A LOS MENUS
Versión software
N° de radiomandos
memorizados
LEGENDA
[ 00 ]
Valor predefinido
Incremento/reducción parámetros o
conmutación ON/OFF
Corrimiento menús
(+ = anterior, - = sucesivo)
Mensaje Programación en curso
PRG
+/-
-
+
/ON
/OFF
Mensaje ¡KO! (error valor o función)
Presione simultáneamente las teclas + y -.
La presión simultánea de las teclas + y -
permite salir del menú en el que se está
operando y volver al anterior; si se produce
dentro de los menús principales, se sale de la
programación y se apaga el display. Las
modificaciones aportadas quedan
configuradas únicamente si, a continuación, se
presiona la tecla OK.
Mensaje "Espera" (introducir valor o función)
BOrra
+/-
-
+
-
+
+/-
FINE
codigo
pos . t0001 . . .
base de datos confirma
OK
OK
verificacion
+/-
-
+
-
+
+/-
FINE
leer codigo
01 t1 . . . 2048 t4
01 t1 . . . 2048 t4
consultar lista
OK
OK
MENU SIGUIENTES
FIG. B
+
OK
8888
anadir
+/-
-
+
-
+
-
+
+/-
FINE
aut.
man. pos.
tecla escond.
OK
P1
P1
P1
Tx
Tx
Tx
salida 1 . .4
Bloque
salida 1 . .4
salida 1 . .4
-
+
OK
tecla deseada
tecla escond.
tecla deseada
todas
todas
-
+
todas
Primer trans.
tecla escond.
tecla deseada
00010100
Ultimo trans.
OK
OK OK

Related product manuals