EasyManua.ls Logo

BFT RTD - Page 35

BFT RTD
Print Icon
To Next Page IconTo Next Page
To Next Page IconTo Next Page
To Previous Page IconTo Previous Page
To Previous Page IconTo Previous Page
Loading...
RTD- Ver. 03 -
35
D811347_03
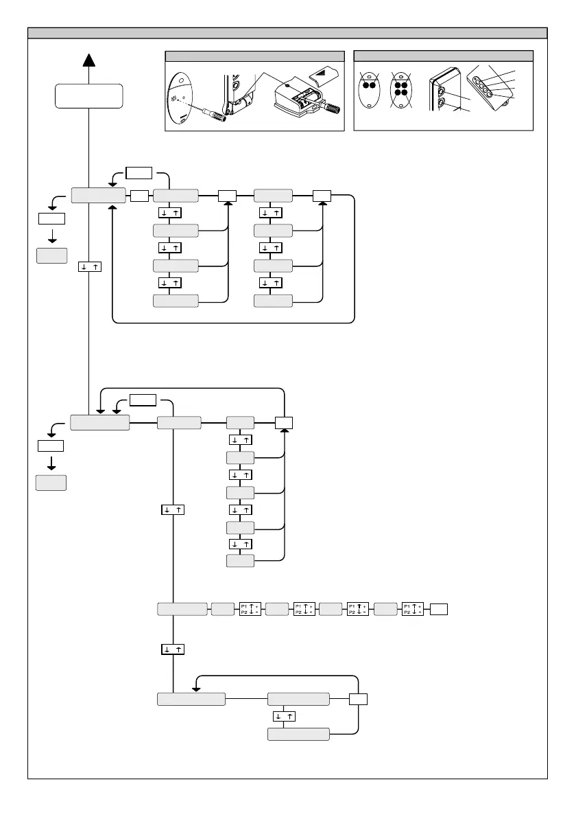
Fig. B
configur RTD
+/-
+/-
FINE
tipo receptor
MENU
ANTERIORES
FIG. A
-
+
-
+
lengua
-
+
fra
-
+
deu
ENG
-
+
ESP
-
+
ita
OK
OK
rolling code
-
+
P1
T1
T2
T1
T2
T3
T4
TRC 1-2
TRC 4
FIG. B1A
FIG. B2A
TRC 1-2
TRC 4
MITTO 2-4
T1 T2
T1 T2
T3
T4
P1
codigo Fijo
salidas
+/-
-
+
+/-
FINE
-
+
salidas 2
-
+
salidas 3
salidas 4
OK OK
-
+
salidas 1
-
+
bista.
-
+
temp.
antiag.
-
+
monos.
OK
passvord 0--- -0-- --0- ---0
OK

Related product manuals