EasyManua.ls Logo

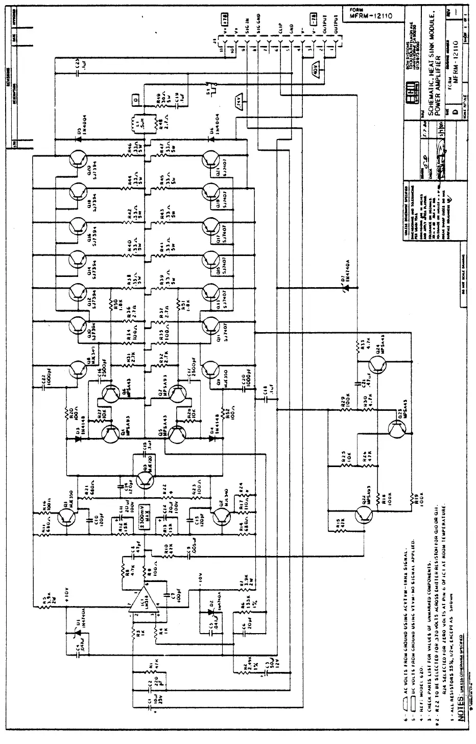
BGW 620 - System Schematics; Heat Sink Module Schematic

Default Icon
30 pages
Print Icon
To Next Page IconTo Next Page
To Next Page IconTo Next Page
To Previous Page IconTo Previous Page
To Previous Page IconTo Previous Page
Loading...

Related product manuals