EasyManua.ls Logo

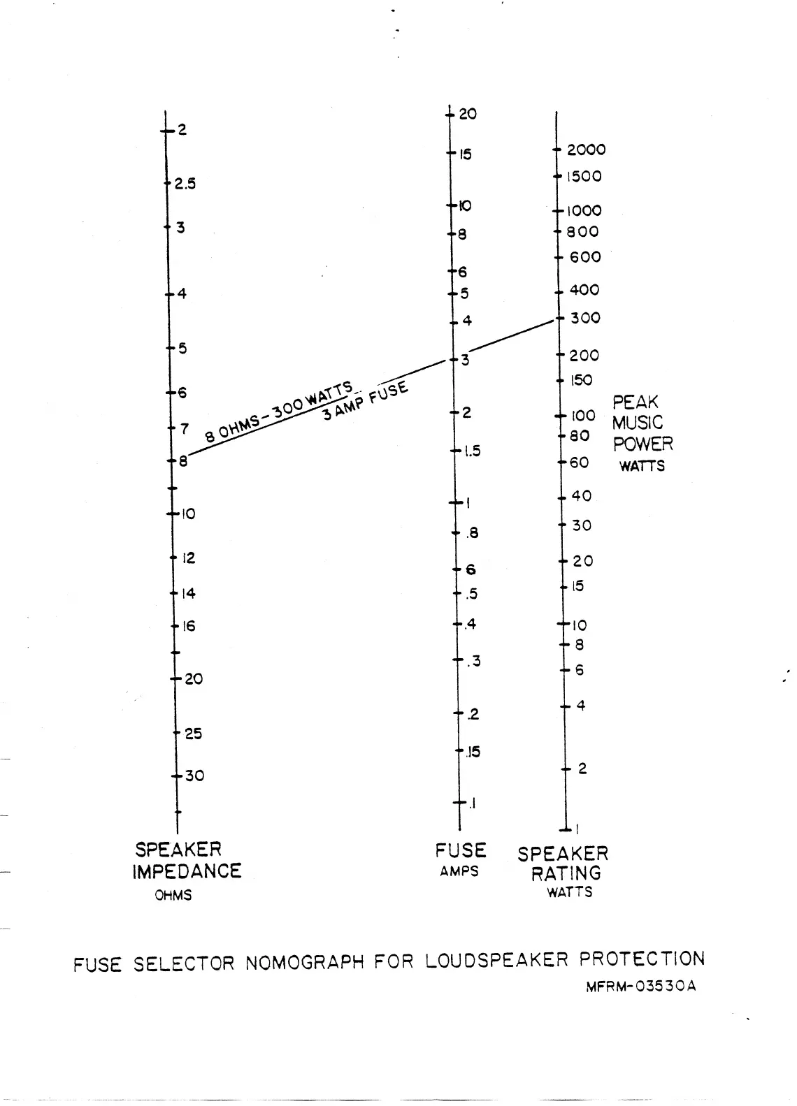
BGW 750E - Fuse Selection Guide; Fuse Nomograph for Loudspeaker Protection

BGW 750E
43 pages
Print Icon
To Next Page IconTo Next Page
To Next Page IconTo Next Page
To Previous Page IconTo Previous Page
To Previous Page IconTo Previous Page
Loading...

Related product manuals