EasyManua.ls Logo

Bind&Lam PDA3-330SL - Laminator Characteristics; Control Panel Overview; Temperature and Speed Indication Window; Speed Adjustment Buttons

Default Icon
5 pages
Print Icon
To Next Page IconTo Next Page
To Next Page IconTo Next Page
To Previous Page IconTo Previous Page
To Previous Page IconTo Previous Page
Loading...
PDA3-336HL, PDA3-330SL, PDA3-330TL is the Newest Generation Multifunction Laminator
A. Characteristics
3. Set the heating elements inside the silicone roller, warm up faster, more even, much safer, and the
lamination quality better.
1. 8-bit Microprocess control system
2. Touch style operation keys, fashionable, convenient and energy-saved.
3. The laminator has characteristics of fast warm up, easy operation and visible temperature indication.
4. Both temperature and speed can be adjusted, suitable for all kinds pouch film lamination and lamination
quality guaranteed.
5. Hot and Cold lamination functions combined in one machine.
6. The laminator set with several safe-protection measurements to increase the reliability.
7. PDA3-336HL adopt heated roller technology to make the lamination temperature more even and stable.
8. The silicone roller diameter for PDA3-330TL is 30mm, the bigger roller diameter the better lamination
quality.
9. With high quality AC speed variable motor, machine run stable and have longer the lifespan.
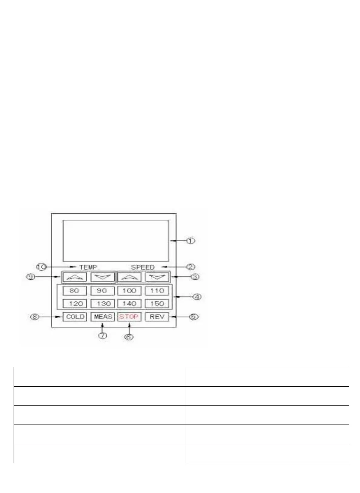
B. Control Panel
1. temperature and speed indication window 6. motor stop button
2. speed 7. current temperature measure button
3.speed up and down button 8. cold lamination button
4. temperature adjustment button 9. temperature up and down button
5. reverse button 10. temperature
PDF 件使用 "pdfFactory Pro" 试用版本创建 www.fineprint.cn