EasyManua.ls Logo

BIRO 346 - Wiring Diagrams

Default Icon
18 pages
Print Icon
To Next Page IconTo Next Page
To Next Page IconTo Next Page
To Previous Page IconTo Previous Page
To Previous Page IconTo Previous Page
Loading...
3 PHASE SWITCH
WIRING & COMPONENTS
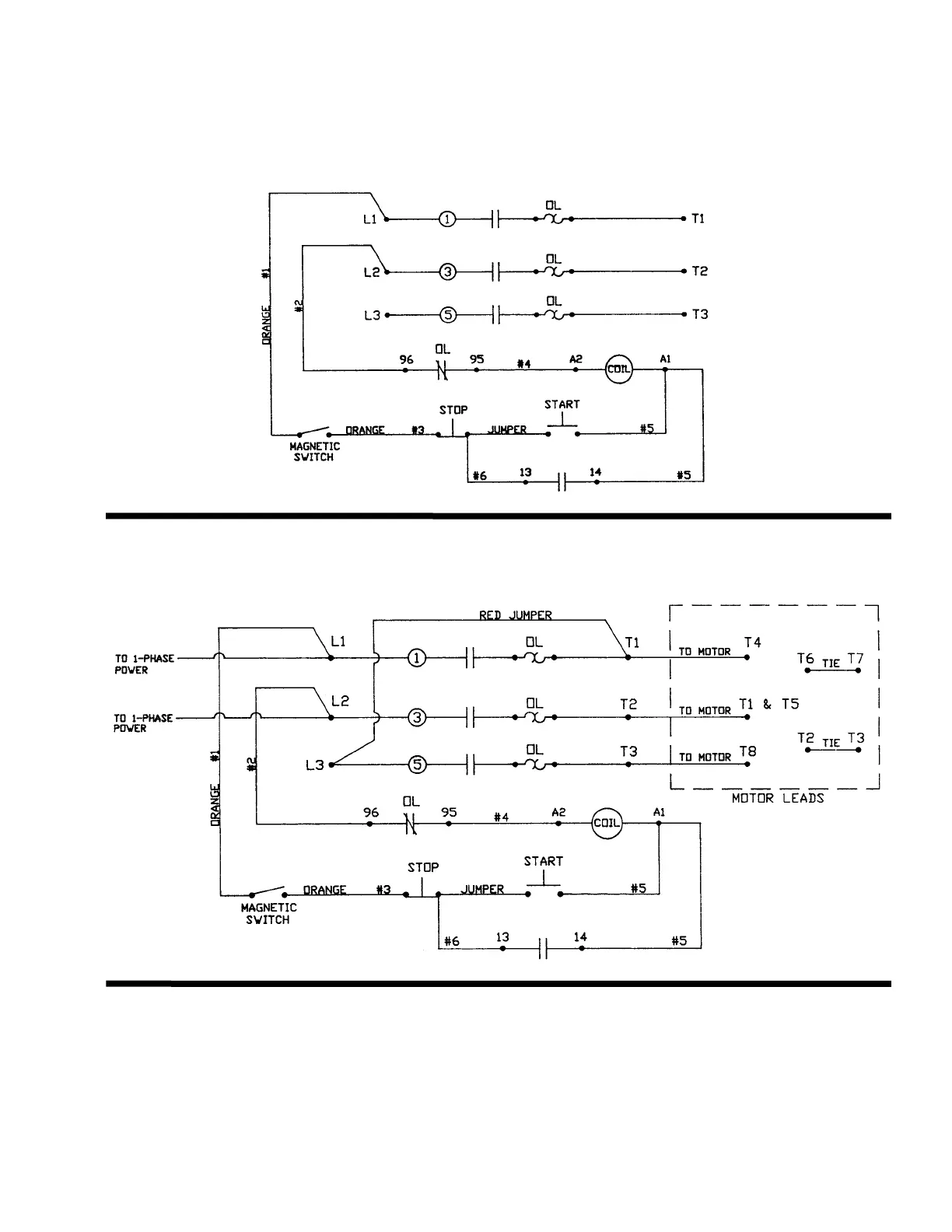
WIRING DIAGRAM FOR HEAVY HORSEPOWER
MANUAL FEED GRINDERS EQUIPPED WITH
AEG OR STROMBERG STARTERS
13
WIRING DIAGRAM FOR MODEL 346 HEAVY HORSEPOWER
MANUAL FEED GRINDER 230 VOLT, 1 PHASE EQUIPPED
WITH 3HP BALDOR CAPACITOR START MOTOR
SWITCHES & SWITCH COMPONENTS
H281AE-31 Overload B27S-N 208/220V-3PH
H281AE-32 Overload B27S-O 230V-1PH
H442 Magnet safety switch, up to 240V
H442-1 Magnet safety switch, above 240V
H478AE-ENCL-PB Enclosure w/pushbutton holes
H479AE-220 Contactor SP27.10-CO 208/220/230V
H479AE-380 Contactor SP27.10-DO 380/415V
H479AE-440 Contactor SP27.10-EO 440V
H479AE-550 Contactor SP27.10-FO 550V
H481AE-52 Overload B27S-L 380/440/550V
H482-1 Green push button
H482-2 Red push button
H578AE-10A Switch assembly BAEG/3X-C17 208/220V-3PH
H578AE-11A Switch assembly BAEG/3X-D8 308/415V
H578AE-12A Switch assembly BAEG/3X-E8 440V
H578AE-13A Switch assembly BAEG/3X-F8 550V
H578AE-14A Switch assembly BAEG/3XS-C23 230V-1PH

Related product manuals