EasyManua.ls Logo

BIRO 44 - WARNING LABEL LOCATIONS ON MACHINE; Blade Tension and Guard Labels; Control Panel and Serial Tag Labels

BIRO 44
36 pages
Print Icon
To Next Page IconTo Next Page
To Next Page IconTo Next Page
To Previous Page IconTo Previous Page
To Previous Page IconTo Previous Page
Loading...
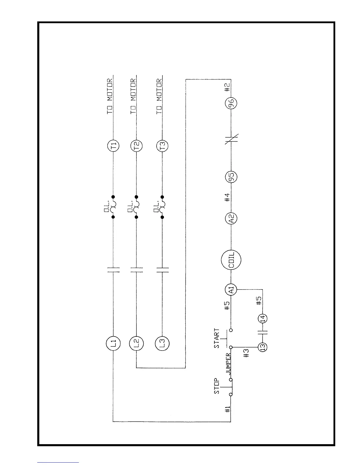
MODEL 44 SCHEMATIC USING 3PH AEG W.T. SWITCH
FOR 220/380/440 VOLTS, THREE PHASE, 60 CYCLE BALDOR MOTOR
25

Related product manuals