EasyManua.ls Logo

Bison NB Series - Page 59

Bison NB Series
72 pages
Print Icon
To Next Page IconTo Next Page
To Next Page IconTo Next Page
To Previous Page IconTo Previous Page
To Previous Page IconTo Previous Page
Loading...
54
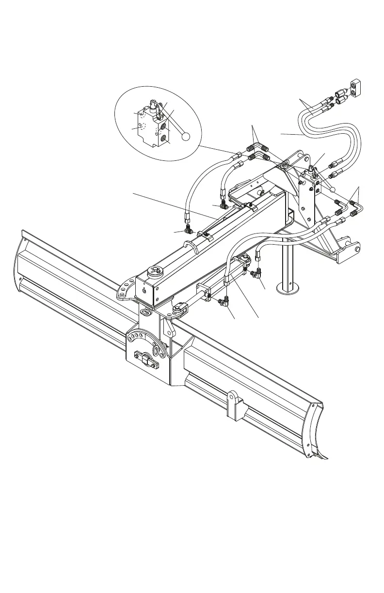
DOUBLE DIVERTER VALVE KIT HOSE
ASSEMBLY (OPTIONAL)
REF.
1
2
3
4
5
PART
*
TA4430-0121-50
TA4430-2566-00
TA4430-2566-75
TA4120-1212-35
DESCRIPTION
DIVERTER VALVE KIT
HOSE-8M3K-8MP 8MP-1.50
HOSE 8M3K-8FJX-8FJX-1.00
HOSE, 8M3K-8FJX-8FJX-1.75
8MP 8 MJ-90 ELBOW WITH NUT
QTY.
1
2
2
2
4
Angle
36
45
42
42
2
1
QUICK CONNECTOR
5
5
C
E
A
F
B
D
42
42
38 Offset
NB80-038