EasyManua.ls Logo

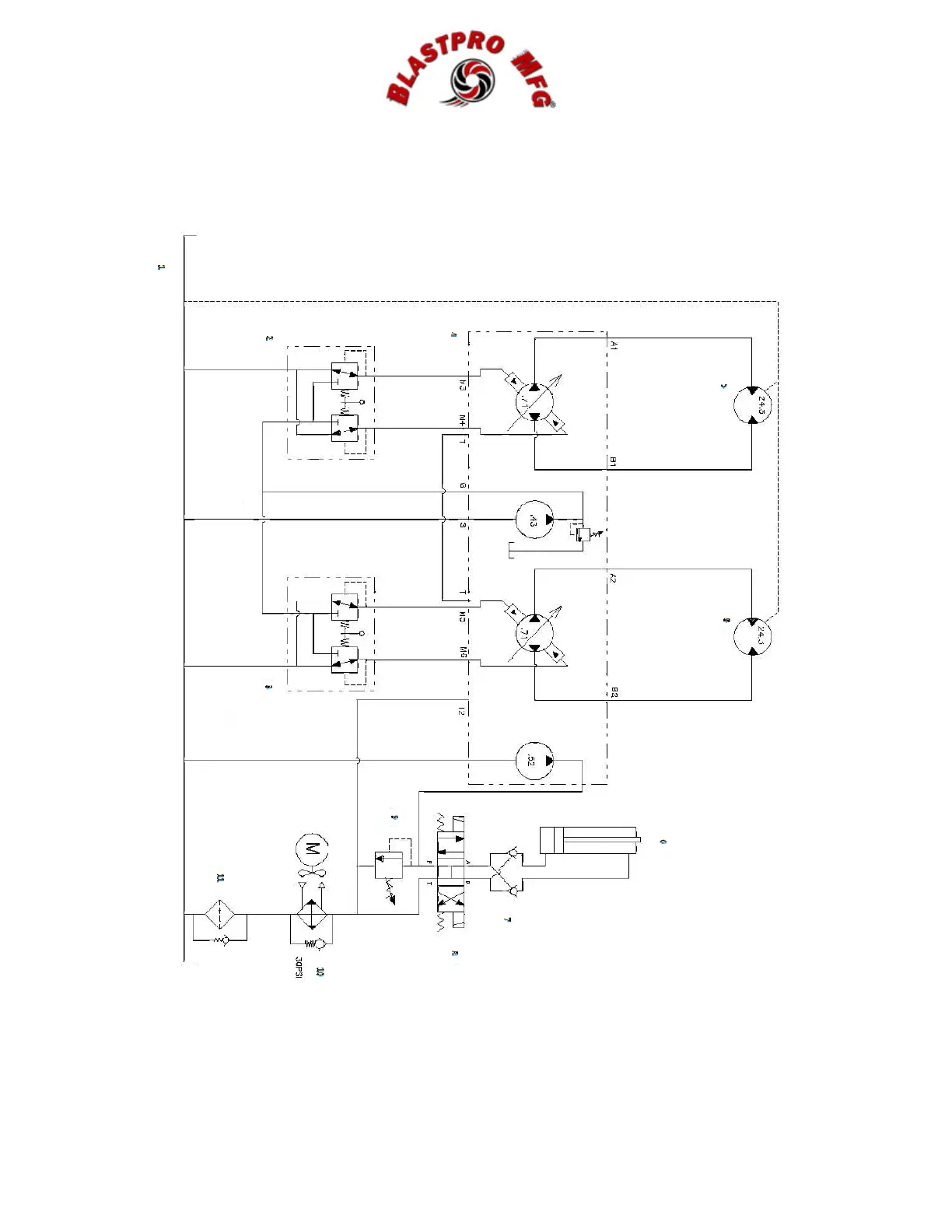
BlastPro BRB-2800 - Schematics; Hydraulic Schematic

Default Icon
49 pages
Print Icon
To Next Page IconTo Next Page
To Next Page IconTo Next Page
To Previous Page IconTo Previous Page
To Previous Page IconTo Previous Page
Loading...
MACHINE MANUAL BRB-2800
MAINTENANCE
© 2010 Blastpro Manufacturing Inc.
®
20
SECTION 4.5: HYDRAULIC SCHEMATIC