EasyManua.ls Logo

Blease 8500 - Page 63

Default Icon
69 pages
Print Icon
To Next Page IconTo Next Page
To Next Page IconTo Next Page
To Previous Page IconTo Previous Page
To Previous Page IconTo Previous Page
Loading...
1 2 3 4
A
B
C
D
4321
D
C
B
A
Title
Number RevisionSize
A4
Date: 4-Feb-2002 Sheet of
File: \\Cad 3\c\1 JONS ARCHIVE\8500archive\circuit diagrams\10110088-3\10110088-3\10110088-3.DDBDrawn By:
PT2
DUXL05D
R57
10K
R15
390K
R60
10K
R7
200R
R23
200R
R6
390K
VR3
10K
C19
100N
C15
100N
+4VREF
+5V
-4V
AGND
-5V
PT4
DUXL30D
R22
100K
R10
75K
R14
33K
R5
1K2
R20
1K2
R4
100K
C14
100N
C13
100N
+4VREF
+5V
AGND
-5V
PT5
DUXL30D
R24
100K
R16
75K
R17
33K
R8
1K2
R21
1K2
R11
100K
C17
100N
C16
100N
+4VREF
+5V
AGND
-5V
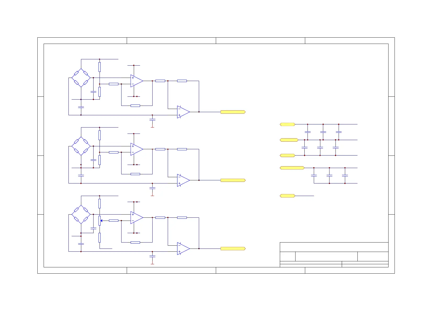
Pressure Interface
3 of 3
RHC/IRBW
Drive Flow
Drive Pressure
Patient Pressure
+5V
-5V
+4VREF
AGND
C3
100N
C4
100N
C5
100N
C24
100N
C20
100N
C7
100N
C18
100N
C22
100N
C25
100N
AGND
AGND
+5V
-5V
+4VREF
-4V
-4V
3
10110088
3
2
1
84
IC2A
LT2078CS8
6
5
7
IC2B
LT2078CS8
3
2
1
84
IC3A
LT2078CS8
6
5
7
IC3B
LT2078CS8
3
2
1
84
IC5A
LT2078CS8
6
5
7
IC5B
LT2078CS8
C57
100N
C55
100N
C56
100N
-5V
-5V
-5V