EasyManua.ls Logo

Blu STUDIO 5.0 CE - Page 22

Blu STUDIO 5.0 CE
40 pages
Print Icon
To Next Page IconTo Next Page
To Next Page IconTo Next Page
To Previous Page IconTo Previous Page
To Previous Page IconTo Previous Page
Loading...
22 / 40
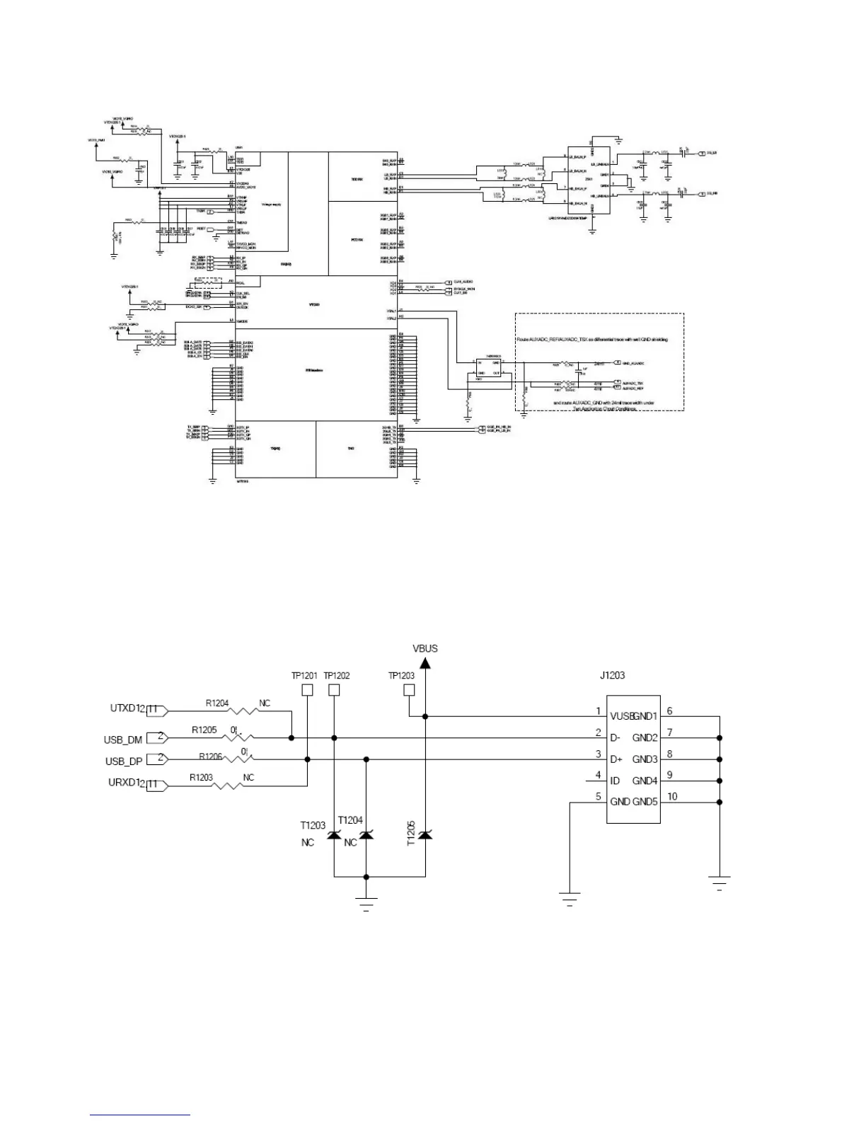
6.4: RF -MT6166
6.5 I/O connector (5PIN)

Related product manuals