EasyManua.ls Logo

Blu STUDIO 5.0 CE - Page 23

Blu STUDIO 5.0 CE
40 pages
Print Icon
To Next Page IconTo Next Page
To Next Page IconTo Next Page
To Previous Page IconTo Previous Page
To Previous Page IconTo Previous Page
Loading...
23 / 40
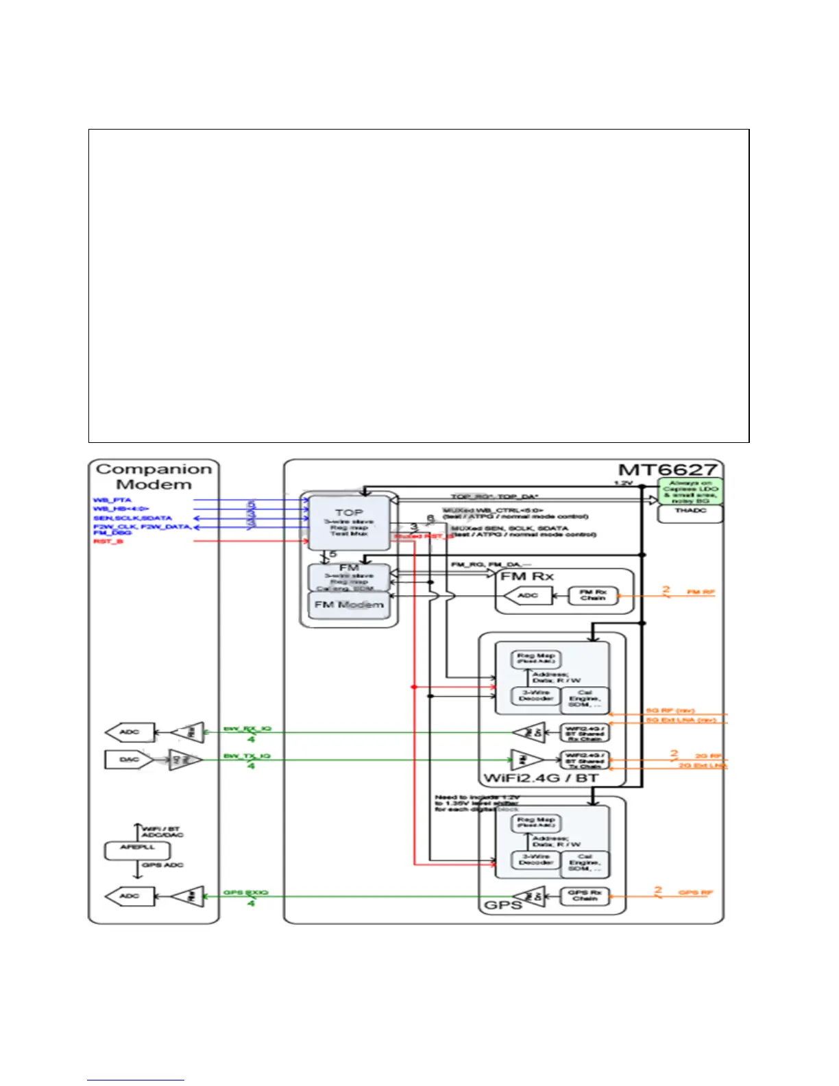
6.6 Four in one chip MT6627
MT6627 is a 4-in-1 connectivity chip which contains a WIFI/Bluetooth Transceiver, a GPS receiver, and a FM
receiver front-ends, along with integrated passive device(IPD) in a QFN40 package. Simplified block diagram and
how MT6627 connects to a companion modem is shown in Figure 1. In Figure 1, RF input/output are, respectively.
An always on low-dropout regulator (ALDO) provides supply voltage to top control logics in MT6627.The top
control logics can control each subsystem independently. Each subsystem also has dedicated LDOs, too. A thermal
sensor and its ADC (analog=to-digital converter) is provided to monitor MT6627 temperature variation. MT6627
does not have its dedicated crystal oscillator. It either uses an extremely (maybe temperature compensated)
oscillator, or uses the clock source from companion chips in the platform such as MT6166.
For WIFI and Bluethooth, MT6627 provides an advanced switching mechanism which allows fast switching
between WIFI and BT modes. Hardware sharing and reuse is maximized. The transceiver front-ends are on
MT6627 while the ADC/DAC (analog-to-digital converter/digital-to-analog converter) are in the companion
modem chip. The interface driver/receiver buffer are designed to drive PCB trace loading. The GPS/Glonass IP in
MT6627 supports both standards, depending on if the companion modem supports Glonass or not. Its partition is
similar to WIFI/Bluetooth such that the ADC/DAC is in the companion modem chip. In contrast, the FM system
intearates the modem and ADC in MT6627. And no interface drivers/buffers are required.

Related product manuals