EasyManua.ls Logo

Blu STUDIO 5.0 HD - General Descriptions

Blu STUDIO 5.0 HD
43 pages
Print Icon
To Next Page IconTo Next Page
To Next Page IconTo Next Page
To Previous Page IconTo Previous Page
To Previous Page IconTo Previous Page
Loading...
20 / 43
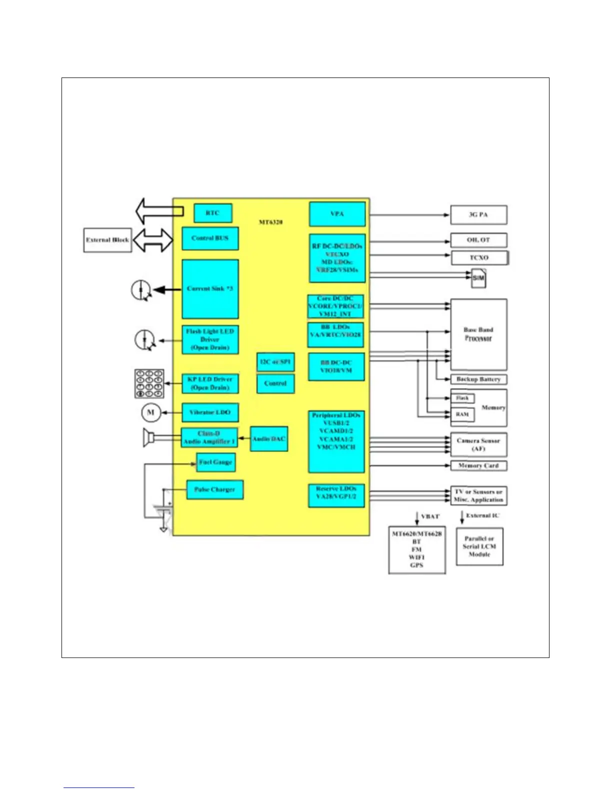
5.5 Power management IC MT6323
General Descriptions
MT6323 is a fully integrated PMIC target for smart phone power provider. See Figure 3-1 the block
diagram for the whole picture of MT6323 PMIC

Related product manuals