EasyManua.ls Logo

Blu STUDIO 5.0 HD - Charge Circuit

Blu STUDIO 5.0 HD
43 pages
Print Icon
To Next Page IconTo Next Page
To Next Page IconTo Next Page
To Previous Page IconTo Previous Page
To Previous Page IconTo Previous Page
Loading...
39 / 43
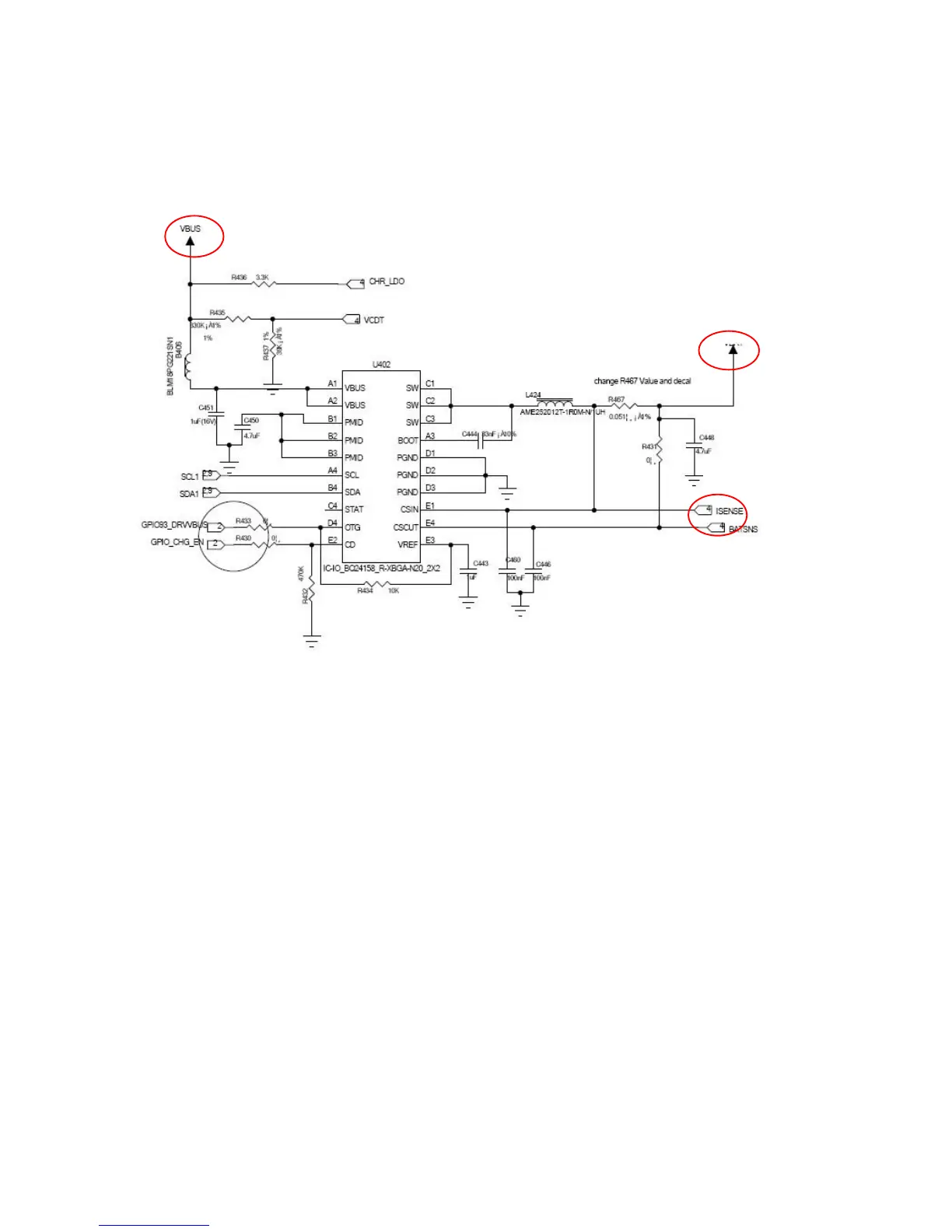
Main related component: BBIC(U101),power IC(U401),charge IC(U402) I/O connector(J1203)
Charge circuit
From I/O connector
To battery connector
Charge detector
Charge IC

Related product manuals