EasyManua.ls Logo

Blueworks BLH Series - Installation: Electrolytic Cell; Electrolytic Cell Installation Procedure

Blueworks BLH Series
29 pages
Print Icon
To Next Page IconTo Next Page
To Next Page IconTo Next Page
To Previous Page IconTo Previous Page
To Previous Page IconTo Previous Page
Loading...
19 | P a g e
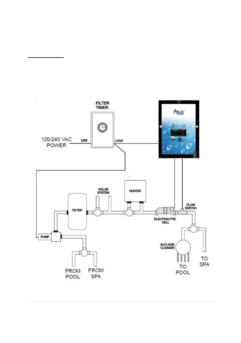
IMPORTANT: To ensure proper operation, verify that the arrow on the flow switch (located
on the side) points in the same direction of water flow.
Electrolytic Cell:
Install using the unions provided. Tighten these by HAND for a watertight seal. For pool/spa
combination systems with spillover, use configurations #2 or #3 below to allow chlorination
for both the pool and spa during spillover but preventing over chlorination when operating
the spa only.

Other manuals for Blueworks BLH Series