EasyManua.ls Logo

BMP Dynamicroll Frigo 2 - Page 14

BMP Dynamicroll Frigo 2
39 pages
Print Icon
To Next Page IconTo Next Page
To Next Page IconTo Next Page
To Previous Page IconTo Previous Page
To Previous Page IconTo Previous Page
Loading...
BMP EUROPE Srl
Rev. 6
Installation and user manual Dynamicroll® Frigo 2
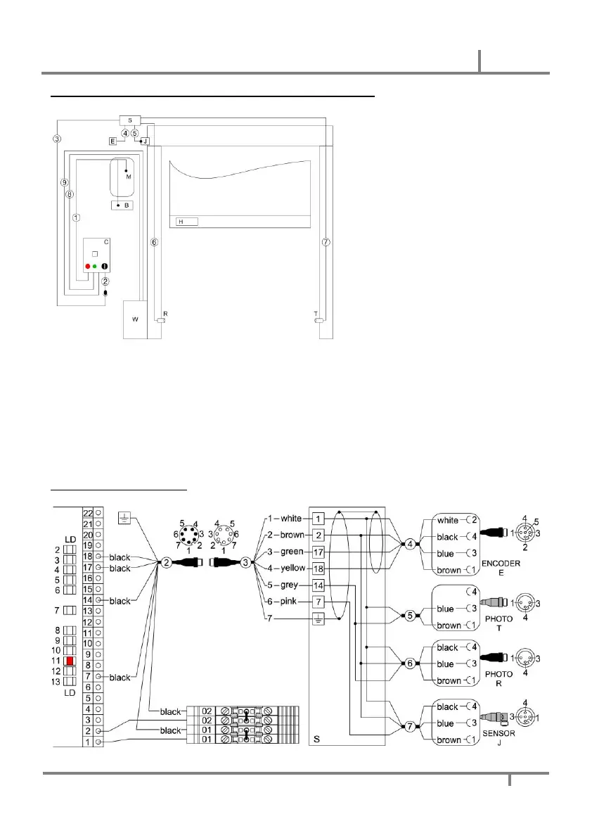
Electrical connections [ENCODER + PHOTOCELLS (SPIDER CABLE)]
C
Control panel
M
Three-phase motor
S
Signals distributor connection Spider
B
Electro-brake
E
Encoder
J
Curtain top sensor
R
Infrared photocell receiver
T
Infrared photocell transmitter
H
Wireless safety edge transmitter
W
Heating system
Wiring
Sections
1
Motor and brake supply cable
4G x 1,5 mm
2
+ 2 x 0,5 mm
2
2
Control panel / Mobile connector cable
7 x 0,5 mm
2
3
Mobile connector / Distribution connection Spider
7 x 0,34 mm
2
4
Encoder cable
4 x 0,34 mm
2
5
Curtain top sensor cable
3 x 0,34 mm
2
6
Photocell receiver cable
3 x 0,34 mm
2
7
Photocell transmitter cable
3 x 0,34 mm
2
8
Hot blower cable
2 x 2,5 mm
2
9
Heating cables transformer cable
2 x 2,5 mm
2
Spider cable connections detail