EasyManua.ls Logo

BMW E36 Coupe - Page 32

BMW E36 Coupe
383 pages
Print Icon
To Next Page IconTo Next Page
To Next Page IconTo Next Page
To Previous Page IconTo Previous Page
To Previous Page IconTo Previous Page
Loading...
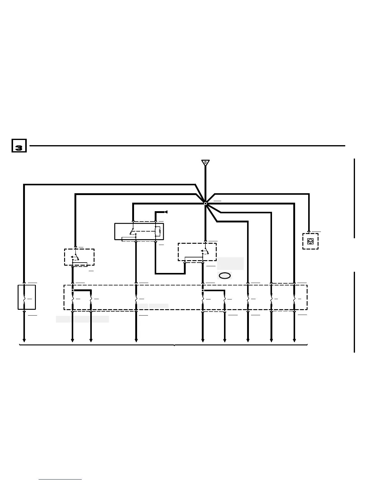
K46z
DAY LIGHT
RELAY MODULE
POWER DISTRIBUTION
WITH CCM1 GE/RT
BMW
BMWBMW
BMW
0670.2-02
6 RT
X10015
10
03/00
0670.2Ć
1999
03
P90
FRONT POWER
DISTRIBUTION BOX
FUSE DETAILS
0670.3
2
1 X10035
F11
7.5A
6
5 9 X10015
F3
30A
F5
30A
6 X10262
K46
HIGH BEAM LIGHT
RELAY
X10262
2
4
F12
7.5A
18 X10182
A104
BODY
ELECTRONICS
CONTROL MODULE
(ZKE IV)
1 GE/GN 1 GE/BL 2.5 RT/BR/GE 2.5 RT/SW
2.5 WS/BL
2.5 RT 2.5 RT
.75 RT
X1073
10
9
F15
15A
1 RT/GE
3030
NSW
56b56b
K47
FRONT FOG LIGHT
RELAY
X44
4
8 X44
86
87
2
6
30
85
1.5 RT
X10016
X10016
.35 RT/WS
HEADLIGHTS/
FOG LIGHTS
6312.0
1 GE/BR
6100.0
.5 GE/GR1 RT
WITHOUT CCM
30
87
1 GE/GR
K48
LOW BEAM LIGHT
RELAY
X452
6 X45
1.5 RT
30
87
87b
NOT USED
5
1 WS/GN
18
1 X10036
F29
7.5A
X10017
20
F30
7.5A
1 WS/BL
56a56a
2.5 RT/WS
20
19
F40
30A
2.5 RT/GE
2.5 RT
30
X10018
X10018
5
2
1
F47
15A
X10250
X10250
1 RT/GR/
GE
1 RT
P95
AUXILIARY FUSE
BOX
NOT USED
7
7.5A WITH CCM
CDN

Related product manuals